SKF23180CA/W33*轴承详细参数

发布时间:2026-04-15
球面滚子轴承, 圆柱和圆锥孔, 圆柱型内孔, 无密封件
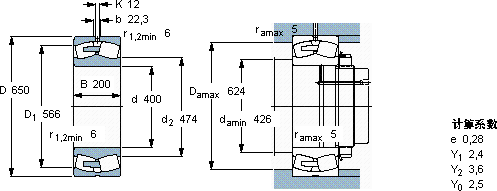
主要数据尺寸 基本负荷额定值 疲劳负荷限值 额定速度 体积 型号
动态 静态 参照速度 限制速度
d D B C C0 Pu * - SKF Explorer 轴承
mm kN kN r/min kg -
4006502004650765053053095026523180 CA/W33 *

SKF23180CA/W33*球面滚子轴承供应商

八零动力专业销售23180CA/W33*球面滚子轴承,库存SKF23180CA/W33*大量现货,与SKF合作,咨询热线:022-58519723业务咨询
SKF23180CA/W33*它在航空航天领域的应用,展现了它的高可靠性 其质量上乘,是众多机械设备不可或缺的优质配件轴承的性能可靠,为机械设备的稳定运行立下汗马功劳它在医疗设备中的应用,确保了设备的稳定性 是您机械世界里的不败功臣,承载未来,八零动力SKF球面滚子轴承品种全,价格优,质量有保证!

用户关注最多的SKF轴承型号

SKFFSAF B 22515 HTLC SKF2207E-2RS1TN9 SKF7014AC SKF71806CD/HCP4A SKFCR2700558 SKFCR28035 SKFCR400301 SKFCR45X60X8HMS5RG SKFGE40TXE-2LS SKFNCF3034CV SKFNU1026ML SKFNU2252MA SKFNU2308ECJ* SKFOH3044H SKFPWTR15.2RS

23180CA/W33*球面滚子轴承近似的SKF轴承型号

SKF23180CAK/W33* SKF23180CA/W33* SKF23180CAK/W33+AOH3180G* SKF23180CAK/W33+OH3180H* SKF23180CA/W33 SKF23184CACK/W33

用户关注最多的轴承狗热门型号

FAG  21309-E1-K + H309 LYC  381096/P6 STEYR  NU1011 FAG  22310-E1 SKF  CR15X25X6HMSA10V SKF  S71914CD/HCP4A SKF  S7018FB/P7 DKF  7319B/DF TIMKEN  36KTT FAG  SD3184-H-TS-AL-L + 23184-K-MB KOYO  NU314R KOYO  96FC65450B SKF  7040AC/DT LYC  31088 X2 SKF  619/4

版权所有©2009-2015 轴承狗zcgou.com ICP备案:津ICP备14004550号-13