SKF231/670CAK/W33轴承详细参数

发布时间:2026-05-30
球面滚子轴承, 圆柱和圆锥孔, 圆锥型内孔, 无密封件
主要数据尺寸 基本负荷额定值 疲劳负荷限值 额定速度 体积 型号
动态 静态 参照速度 限制速度
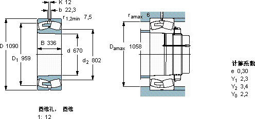
d D B C C0 Pu
mm kN kN r/min kg -
6701090336109002240013702405001210231/670 CAK/W33

SKF231/670CAK/W33球面滚子轴承供应商

八零动力专业销售231/670CAK/W33球面滚子轴承,库存SKF231/670CAK/W33大量现货,与SKF合作,咨询热线:022-58519723业务咨询
SKF231/670CAK/W33制造工艺精湛,使得这款轴承的精度和稳定性都非常出色它的滚动体分布均匀,运转平稳无振动 轴承的耐用性极佳,为设备的长期稳定运行提供了保障它的故障率极低,确保了设备的稳定运行 开启顺畅运行新时代,承载无限可能,,八零动力SKF球面滚子轴承品种全,价格优,质量有保证!

用户关注最多的SKF轴承型号

SKF313154C SKF313555A SKF3222A SKF33013/Q* SKF351761A SKF71918CD/P4A SKF7306BECBY SKFBC4-8013/HA4 SKFCR400654 SKFCR99463 SKFNATV12PPA SKFNU230ECM* SKFNUP2208ECP* SKFS71909CD/HCP4A SKFSYNT55F

231/670CAK/W33球面滚子轴承近似的SKF轴承型号

SKF22312EK* SKF23160-2CS5/VT143* SKF23138-2CS5/VT143* SKF22317EK* SKF23136CCK/W33+H3136* SKF23156-2CS5K/VT143* SKFBS2-2310-2CS/VT143* SKF231/800CAK/W33 SKF22319EK* SKF23192CAK/W33+AOHX3192G* SKF231/670CAK/W33+OH31/670H SKF231/670CA/W33

用户关注最多的轴承狗热门型号

SKF  CR14X25X5HMS5V SKF  6308-2Z/VA228 LYC  NNU 49/670 /C3W33X LYC  NU 2992/P6 KOYO  7320AC/DF SKF  71906ACE/HCP4A TIMKEN  SDAF23188K SKF  GE240ES-2RS LYC  32948 X2 INA  K14X18X15-TV LYC  E1787/600G2K1 LYC  33117 NACHI  SN230C STEYR  NJ2215 IKO  TAF61212

版权所有©2009-2015 轴承狗zcgou.com ICP备案:津ICP备14004550号-13