SKF231/530CA/W33*轴承详细参数

发布时间:2026-04-15
球面滚子轴承, 圆柱和圆锥孔, 圆柱型内孔, 无密封件
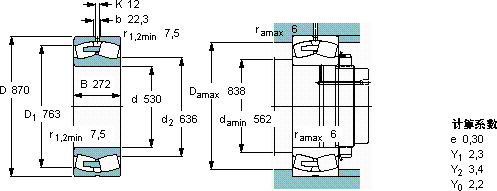
主要数据尺寸 基本负荷额定值 疲劳负荷限值 额定速度 体积 型号
动态 静态 参照速度 限制速度
d D B C C0 Pu * - SKF Explorer 轴承
mm kN kN r/min kg -
530870272815014000915360670645231/530 CA/W33 *

SKF231/530CA/W33*球面滚子轴承供应商

八零动力专业销售231/530CA/W33*球面滚子轴承,库存SKF231/530CA/W33*大量现货,与SKF合作,咨询热线:022-58519723业务咨询
SKF231/530CA/W33*它的滚动体与沟槽的配合,堪称完美 转动精彩它的轴向游隙控制,精准到令人惊叹 坚固的结构稳定的性能它的低噪音设计,减少了对环境的噪音污染 它的径向跳动控制,达到了行业顶尖水平 ,八零动力SKF球面滚子轴承品种全,价格优,质量有保证!

用户关注最多的SKF轴承型号

SKF2x7211BECBP* SKF32926/DF SKF6004-Z* SKF61912-RZ SKF6213-2Z/VA208 SKFCR14X24X7HMSA10V SKFCR40X68X10HMSA10RG SKFCR43650 SKFCRMVR1-90 SKFFNL517B SKFNCF28/900V SKFNJ2206ECP SKFNJ2210E+HJ2210E SKFPFT1.3/16RM SKFS7018CD/P4A

231/530CA/W33*球面滚子轴承近似的SKF轴承型号

SKF231/630CAK/W33+AOH31/630* SKF22319EK+AHX2319* SKF22319EK+H2319* SKF23122CCK/W33+H3122* SKF23184CJ/W33* SKF231/710CA/W33 SKF23130CCK/W33* SKF23132CCK/W33+H3132* SKFBS2-2313-2CSK/VT143* SKF23120-2CS2/VT143* SKF231/530CAK/W33* SKF231/560CAK/W33+AOH31/560*

用户关注最多的轴承狗热门型号

FAG  NJ240-E-M1 + HJ240E SKF  331351 SKF  CR17293 FYH  UKFC215+H2315 MRC  6311-2ZN FAG  21311-E1-K + H311 TIMKEN  436/432D SKF  NJ418+HJ418 NMB  L-1470HH SKF  SI40TXE-2LS SKF  NK15/16 STEYR  32021 LYC  23030 CA SKF  SIL80ES-2RS IKO  NTB4565

版权所有©2009-2015 轴承狗zcgou.com ICP备案:津ICP备14004550号-13