SKF231/530CAK/W33*轴承详细参数

发布时间:2026-05-30
球面滚子轴承, 圆柱和圆锥孔, 圆锥型内孔, 无密封件
主要数据尺寸 基本负荷额定值 疲劳负荷限值 额定速度 体积 型号
动态 静态 参照速度 限制速度
d D B C C0 Pu * - SKF Explorer 轴承
mm kN kN r/min kg -
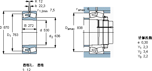
530870272815014000915360670625231/530 CAK/W33 *

SKF231/530CAK/W33*球面滚子轴承供应商

八零动力专业销售231/530CAK/W33*球面滚子轴承,库存SKF231/530CAK/W33*大量现货,与SKF合作,咨询热线:022-58519723业务咨询
SKF231/530CAK/W33*它的质量过硬,为机械设备的高效、安全、稳定运行 它的品质卓越,是提升机械设备整体性能的关键所在成就非凡转动体验让您的设备一顺到底,引领行业速度,我们的轴承始终稳如磐石它的材质选择,体现了对耐用性的极致追求 它在汽车工业中的应用,让车辆运行更加平稳 ,八零动力SKF球面滚子轴承品种全,价格优,质量有保证!

用户关注最多的SKF轴承型号

SKF22332CCJA/W33VA405* SKF309 SKF3208A-2RS1TN9/MT33* SKF6030-2RS SKF6224-RS SKF71906CE/P4A SKFCR15x35x7CRW1R SKFCR22x50x8CRW1R SKFCR70X90X12HMS5RG SKFCR99227 SKFH3926 SKFM249747/710 SKFMB1A SKFNJ211ECP* SKFPCM303415B

231/530CAK/W33*球面滚子轴承近似的SKF轴承型号

SKF23140-2CS5/VT143* SKF23144CC/W33* SKF23176CA/W33* SKF23184CKJ/W33+AOH3184G* SKF23128CCK/W33* SKF231/1000CAKF/W33+AOH31/1000 SKF23180CAK/W33* SKF22319EK+H2319* SKF23132CC/W33* SKFBS2-2316-2CSK/VT143* SKF231/530CAK/W33+OH31/530H* SKF231/530CA/W33*

用户关注最多的轴承狗热门型号

KOYO  NJ2238+HJ2238 TIMKEN  7314WN TIMKEN  6379/6320-B SKF  CR1260x1300x18HDS1R NTN  K16×20×10 NTN  NJ2210E SKF  FSAF1312 LYC  B 7322 ACM/DB KOYO  47T605035 LYC  6304 EX1 TIMKEN  3982/3927X KOYO  NU2315 INA  TKSD45-U SKF  CR38730 IKO  KTV141812EG

版权所有©2009-2015 轴承狗zcgou.com ICP备案:津ICP备14004550号-13