SKF23134-2CS5/VT143*轴承详细参数

发布时间:2026-05-31
球面滚子轴承, 圆柱和圆锥孔, 圆柱型内孔, 两面密封件
主要数据尺寸 基本负荷额定值 疲劳负荷限值 额定速度 体积 型号
动态 静态 参照速度 限制速度
d D B C C0 Pu * - SKF Explorer 轴承
mm kN kN r/min kg -
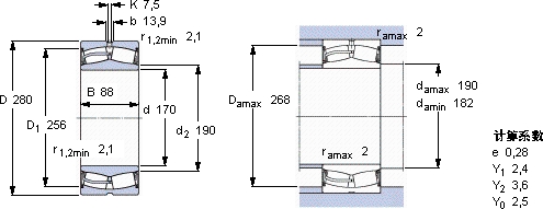
1702808810401500137-48020,323134-2CS5/VT143 *

SKF23134-2CS5/VT143*球面滚子轴承供应商

八零动力专业销售23134-2CS5/VT143*球面滚子轴承,库存SKF23134-2CS5/VT143*大量现货,与SKF合作,咨询热线:022-58519723业务咨询
SKF23134-2CS5/VT143*它的可靠性,赢得了无数工程师的信任 它在化工设备中的应用,展现了它的耐腐蚀性 精湛的工艺打造出的轴承,精度和稳定性都令人称赞顺滑无声它的尺寸一致性,让批量生产成为可能 它的精密制造工艺,让人叹为观止 ,八零动力SKF球面滚子轴承品种全,价格优,质量有保证!

用户关注最多的SKF轴承型号

SKF2x7211BEGAP* SKF7024CD/P4A SKFAHX3128/125 SKFBS2B243268 SKFBT4B332962/HA1 SKFCR12458 SKFCR30x58x8CRWA1R SKFCR18X28X7HMS5RG SKFCR370x410x18HDS1R SKFNJ310ECP SKFNJ409 SKFNUP2214E SKFOKF200 SKFSALKAC30M SKFSDAF22530x5.1/4

23134-2CS5/VT143*球面滚子轴承近似的SKF轴承型号

SKF23134-2CS5/VT143* SKF23134CCK/W33+H3134* SKF23134CC/W33* SKF23134-2CS5K/VT143* SKF23134CCK/W33+AH3134G* SKF23134CCK/W33* SKF23134-2CS5K/VT143* SKF23134CCK/33+H3134

用户关注最多的轴承狗热门型号

SKF  N215ECP NSK  52212 AET  NU320 SKF  633-Z FAG  23134-E1-K-TVPB + AH3134A TIMKEN  679 /672-B LYC  20313 NACHI  24040EW33 SKF  NNF5008ADB-2LSV SKF  6312-ZNR* KOYO  53407U INA  KGBAO16-PP-AS FAG  53232-MP + U232 STEYR  NU2226E NSK  7004A5TYNP5

版权所有©2009-2015 轴承狗zcgou.com ICP备案:津ICP备14004550号-13