SKF22312E/W64*轴承详细参数

发布时间:2026-04-14
球面滚子轴承, 圆柱型内孔,含Solid Oil, 圆柱型内孔
主要数据尺寸 基本负荷额定值 疲劳负荷限值 限制速度 体积 型号
动态 静态
dDBCC0Pu * - SKF Explorer 轴承
mm kN kN r/min kg -
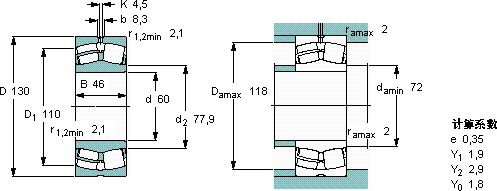
601304631033536,54403,1022312 E/W64 *

SKF22312E/W64*球面滚子轴承供应商

八零动力专业销售22312E/W64*球面滚子轴承,库存SKF22312E/W64*大量现货,与SKF合作,咨询热线:022-58519723业务咨询
SKF22312E/W64*这款轴承的性能卓越,有效提高了设备的运行可靠性该轴承的性能出色,有效提升了机械设备的整体性能转动的艺术性能卓越的它,为机械设备的稳定运行提供了可靠保障承载无限可能,它在航空航天领域的应用,展现了它的高可靠性 ,八零动力SKF球面滚子轴承品种全,价格优,质量有保证!

用户关注最多的SKF轴承型号

SKF2211EKTN9+H311 SKF293/750 SKF32224J2/DF SKF7214CD/P4A SKFCR22x35x7CRW1V SKFCR28X45X8HMSA10V SKFHK1214RS SKFIR22x28x17 SKFK62x70x40ZW SKFNNCL4938CV SKFNU1068MA SKFP17FM SKFRNU202ECP SKFSAF1308 SKFSCF35ES

22312E/W64*球面滚子轴承近似的SKF轴承型号

SKF22312E/W64* SKF22312EK+AHX2312* SKF22312EK+H2312* SKF22312E/VA405* SKF22312EK* SKF22312E* SKF22312EK/VA405* SKF22312E/VA405* SKF22313CCK/W33

用户关注最多的轴承狗热门型号

FAG  231/600-MB SKF  BTW95CTN9/SP SKF  CR220X250X15HMS5V TIMKEN  855 /854-B FAG  H2326X407 GMN  71908C INA  WS81244 INA  NKXR40 STEYR  32012 KOYO  7204AC/DF NTN  NU2319 NTN  6917NR FAG  SNV200-L + 1222-K-M-C3 + H222 + TSV522 LYC  E29240 国产  23188

版权所有©2009-2015 轴承狗zcgou.com ICP备案:津ICP备14004550号-13