SKFQJ1292N2MA轴承详细参数

发布时间:2026-05-30
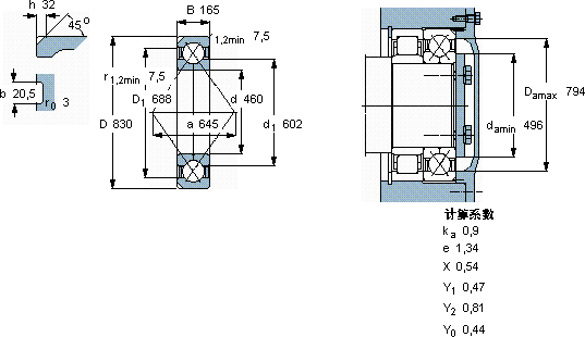
角接触球轴承, 四点接触球轴承
主要数据尺寸 基本负荷额定值 疲劳负荷限值 额定速度 体积 型号
动态 静态 参照速度 限制速度
d D B C C0 Pu
mm kN kN r/min kg -
4608301651530425069,57001100415QJ 1292 N2MA

SKFQJ1292N2MA角接触球轴承供应商

八零动力专业销售QJ1292N2MA角接触球轴承,库存SKFQJ1292N2MA大量现货,与SKF合作,咨询热线:022-58519723业务咨询
SKFQJ1292N2MA它的精密性,让它在高精度设备中无可替代 它的静音设计,让机械运转如丝般顺滑 精密与耐用的完美结合,它的可靠性,赢得了无数工程师的信任 这款轴承的运转平稳,几乎听不到任何噪音,令人惊艳它的抗冲击能力,让它经久不衰 ,八零动力SKF角接触球轴承品种全,价格优,质量有保证!

用户关注最多的SKF轴承型号

SKF231/850CA/W33 SKF24084ECA/W33* SKF6212-2RS1* SKF71906C/DB SKF7219B/DB SKFBTM110B/P4CDBB SKFC2210KV+AHX310* SKFCR27292 SKFCR42X67X10HMSA10V SKFN311ECM* SKFNNCF4860CV SKFNNF5011ADA-2LSV SKFNU1064MP SKFOKC500 SKFPCZ0814B

QJ1292N2MA角接触球轴承近似的SKF轴承型号

SKFQJ1292N2MA SKFQJ1288N2MA SKFQJ1296N2MA

用户关注最多的轴承狗热门型号

SKF  C2244* NTN  23084BK+H3084 RHP  7011C/DT FAG  SNV140-L + 1313-K-TVH-C3 + H313X204 + TSV613X204 INA  PAP10050-P14 TIMKEN  G1103KRRB SKF  61956 SKF  CR23654 KOYO  463/710 SKF  CR26X40X8HMS1R LYC  51107/P6 SKF  CR18808 KOYO  NN30/600 GMN  7215AC NSK  7900C

版权所有©2009-2015 轴承狗zcgou.com ICP备案:津ICP备14004550号-13