SKF22312EK+AHX2312*轴承详细参数

发布时间:2026-05-30
球面滚子轴承, 带退卸套的
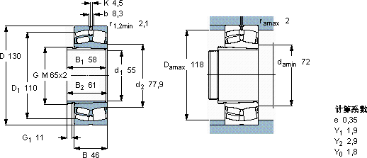
主要数据尺寸 基本负荷额定值 疲劳负荷限值 额定速度 体积 型号
动态 静态 参照速度 限制速度 轴承 +退卸套
d1 D B C C0 Pu
* - SKF Explorer 轴承
mm kN kN r/min kg -
551304631033536,5400053003,3022312 EK + AHX 2312 *

SKF22312EK+AHX2312*球面滚子轴承供应商

八零动力专业销售22312EK+AHX2312*球面滚子轴承,库存SKF22312EK+AHX2312*大量现货,与SKF合作,咨询热线:022-58519723业务咨询
SKF22312EK+AHX2312*先进的制造技术,让这款轴承的质量达到了行业领先水平高品质的轴承,在复杂工况下也能展现出卓越的性能轴承的稳定性和可靠性都十分出色,赢得了用户的信赖成就非凡转动体验让您的设备一顺到底,先进的生产工艺,打造出了这款性能卓越的轴承它的润滑技术,减少了润滑剂的使用 ,八零动力SKF球面滚子轴承品种全,价格优,质量有保证!

用户关注最多的SKF轴承型号

SKF209-2ZNR SKF23130-2CS5/VT143* SKF32008XTN9/Q SKF619/7 SKF6300-RSL* SKF6340 SKF71901C SKF7320BEGAM* SKFBT4B328913BG/HA1 SKFC3164M* SKFCR35X52X10HMS5RG SKFFYT1.1/4RM SKFRNAO40x55x20 SKFSYR2.3/16N-118 SKFWS89314

22312EK+AHX2312*球面滚子轴承近似的SKF轴承型号

SKF22312E/W64* SKF22312EK+H2312* SKF22312E* SKF22312EK* SKF22312E/VA405* SKF22312EK/VA405* SKF22312EK+AHX2312* SKF22312EK* SKF22312EK+H2312*

用户关注最多的轴承狗热门型号

SKF  NN3022TN9/SP STEYR  51434 NSK  NNU4930MBKR STEYR  N207 NSK  240/800CAK30E4 FLT  N214 INA  KNO30-B-PP SKF  SY60PF INA  KSR16-L0-10-10-17-22 SKF  SAF22530 SKF  K60x65x30 FAG  SNV200-L + 2222-K-M-C3 + H322X315 + TSV522 SNR  6218-RS SKF  SDAF22620x3.1/2 IKO  RNA49/14UU

版权所有©2009-2015 轴承狗zcgou.com ICP备案:津ICP备14004550号-13