SKF231/1000CAK/W33+OH31/1000H轴承详细参数

发布时间:2026-04-15
球面滚子轴承, 带紧定套的
主要数据尺寸 基本负荷额定值 疲劳负荷限值 额定速度 体积 型号
动态 静态 参照速度 限制速度 轴承 + 紧定套
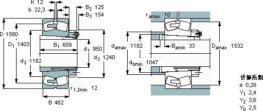
d1 D B C C0 Pu
mm kN kN r/min kg -
9501580462214004800025501402804340231/1000 CAK/W33 + OH 31/1000 H

SKF231/1000CAK/W33+OH31/1000H球面滚子轴承供应商

八零动力专业销售231/1000CAK/W33+OH31/1000H球面滚子轴承,库存SKF231/1000CAK/W33+OH31/1000H大量现货,与SKF合作,咨询热线:022-58519723业务咨询
SKF231/1000CAK/W33+OH31/1000H这轴承的设计简直精妙绝伦,每一处细节都彰显着极致的工艺美学它在电子设备中的应用,展现了它的高精密性 它的材质选择,体现了对耐用性的极致追求 它的旋转精度,让高速运转成为现实 轴承的精度和稳定性都达到了行业顶尖水平它在机床设备中的应用,确保了加工精度 ,八零动力SKF球面滚子轴承品种全,价格优,质量有保证!

用户关注最多的SKF轴承型号

SKF22234-2CS5/VT143* SKF32014X/Q SKF358157 SKF7207BECBM SKFC30/900KMB* SKFCR1375250 SKFCR210x250x20HDS1V SKFCR40x55x8CRW1V SKFHMV74E SKFNCF28/1000V SKFNKX20Z SKFNKX35Z SKFNUP2216ECM* SKFPCM182015M SKFSY55TF/VA228

231/1000CAK/W33+OH31/1000H球面滚子轴承近似的SKF轴承型号

SKFBS2-2313-2CS/VT143* SKF22316E* SKF22318EJA/VA405* SKF231/530CAK/W33+AOH31/530* SKF23120-2CS2/VT143* SKF22316EJA/VA405* SKF231/530CA/W33* SKF22317EK* SKF22315EK+H2315* SKF22311E/VA405* SKF231/1000CAKF/W33+AOH31/1000 SKF231/1000CAF/W33

用户关注最多的轴承狗热门型号

DKF  7310B/DB GMN  71913C/DF LYC  NU 2317 ECP FAG  KLM48548-LM48510 SKF  24136-2CS5/VT143* FAG  SNV340-L + 22332-K-MB + H2332 + DH532 TIMKEN  100BIH439 LYC  7220 AC/P6/DB SNFA  71907C TIMKEN  HH224340/HH224310CD/HH224340XA SKF  SY2.3/16TF/VA201 SKF  6304/HR11QN SKF  CR300x340x18.01HDS1V NTN  51124 IKO  LWHT45...B

版权所有©2009-2015 轴承狗zcgou.com ICP备案:津ICP备14004550号-13