SKF231/1000CAF/W33轴承详细参数

发布时间:2026-04-14
球面滚子轴承, 圆柱和圆锥孔, 圆柱型内孔, 无密封件
主要数据尺寸 基本负荷额定值 疲劳负荷限值 额定速度 体积 型号
动态 静态 参照速度 限制速度
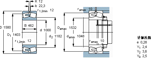
d D B C C0 Pu
mm kN kN r/min kg -
10001580462214004800025501402803500231/1000 CAF/W33

SKF231/1000CAF/W33球面滚子轴承供应商

八零动力专业销售231/1000CAF/W33球面滚子轴承,库存SKF231/1000CAF/W33大量现货,与SKF合作,咨询热线:022-58519723业务咨询
SKF231/1000CAF/W33制造工艺精湛,使得这款轴承在运转时更加顺畅平稳它的静音设计,让机械运转如丝般顺滑 轴承的耐用性极佳,能够承受高强度的工作负荷它的精密装配,确保了整体性能的卓越 轴承的耐用性强,减少了设备的停机维护时间品质卓越的它,为机械设备的稳定、高效运行提供了支持,八零动力SKF球面滚子轴承品种全,价格优,质量有保证!

用户关注最多的SKF轴承型号

SKF2213ETN9 SKF2x7205BECBY SKF3201A-RS1 SKF51410 SKF7211BECBP* SKF89314TN SKFCR21059 SKFCR36X58X10HMS5RG SKFCR40X62X10HMSA10V SKFCR450x490x20HDS1R SKFCR45X62X10HMSA10RG SKFCR526806 SKFGEZM008ES SKFNNF5024ADA-2LSV SKFS71911DB/P7

231/1000CAF/W33球面滚子轴承近似的SKF轴承型号

SKF23188CAK/W33* SKF23134-2CS5K/VT143* SKF23172CCK/W33+AOH3172G* SKF22311E/VA405* SKF23140CCK/W33+AH3140* SKF23160-2CS5K/VT143* SKF23192CAK/W33* SKF23180CAK/W33* SKF23188CAK/W33+OH3188H* SKF23176CAK/W33+OH3176H* SKF231/1000CAK/W33+OH31/1000H SKF231/1000CAKF/W33

用户关注最多的轴承狗热门型号

LYC  N 334/P5 TIMKEN  593/592-B TIMKEN  27689/27620 FAG  NUP244-E-M1 ASK  NU417 INA  NATV15-PP STEYR  54412 SKF  CR95x125x12CRW1R FAG  SD3160-H-TS-AL-L + 231SM280-MA SKF  CR8871 MAC  NJ2205 SKF  BL206ZZ SKF  NU2215ECJ* NSK  NJ217ET IKO  TRI173425

版权所有©2009-2015 轴承狗zcgou.com ICP备案:津ICP备14004550号-13