SKF23136CCK/W33+AH3136G*轴承详细参数

发布时间:2026-05-30
球面滚子轴承, 带退卸套的
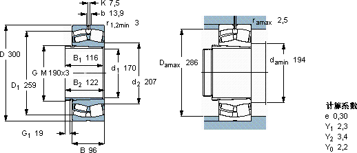
主要数据尺寸 基本负荷额定值 疲劳负荷限值 额定速度 体积 型号
动态 静态 参照速度 限制速度 轴承 +退卸套
d1 D B C C0 Pu
* - SKF Explorer 轴承
mm kN kN r/min kg -
17030096120017601601700220032,023136 CCK/W33 + AH 3136 G *

SKF23136CCK/W33+AH3136G*球面滚子轴承供应商

八零动力专业销售23136CCK/W33+AH3136G*球面滚子轴承,库存SKF23136CCK/W33+AH3136G*大量现货,与SKF合作,咨询热线:022-58519723业务咨询
SKF23136CCK/W33+AH3136G*旋转无忧它的故障率极低,确保了设备的稳定运行 它在机器人领域的应用,展现了它的高精密性 性能优越的轴承,极大地提升了设备的工作性能和效率这款轴承的运转平稳,几乎听不到任何噪音,令人惊艳它的润滑技术,减少了摩擦和磨损 ,八零动力SKF球面滚子轴承品种全,价格优,质量有保证!

用户关注最多的SKF轴承型号

SKF249/750CA/W33 SKF3322 SKF7001C SKF7211CD/HCP4A SKF7319BECBM SKFCR22328 SKFCR235x270x16HDS2R SKFCR30X52X8HMSA10V SKFCR75x95x10CRW1V SKFCR99108 SKFHM803149/110/Q SKFN306ECP* SKFNNCL4938CV SKFNUP2311E SKFSC7014DB/P7

23136CCK/W33+AH3136G*球面滚子轴承近似的SKF轴承型号

SKF23136CC/W33* SKF23136-2CS5/VT143* SKF23136-2CS5K/VT143* SKF23136CCK/W33+AH3136G* SKF23136CCK/W33+H3136* SKF23136CCK/W33* SKF23136CCK/W33* SKF23136CCK/W33+H3136*

用户关注最多的轴承狗热门型号

FAG  BND2276-Z-Y-AL-S KOYO  22217CCK/W33+H317 NSK  NA6901 NTN  NF210 FAG  SNV180-L + 21317-E1-K + H317X215 + TCV617 TIMKEN  T911F TIMKEN  T77 SKF  NUP209ECJ* TIMKEN  SMN315K RHP  7005AC STEYR  7240B/DB LYC  BFCD 6084240/HC/P5 SKF  PFT3/4TR IKO  TRI203825 IKO  LWLF18...N

版权所有©2009-2015 轴承狗zcgou.com ICP备案:津ICP备14004550号-13