SKF23192CA/W33*轴承详细参数

发布时间:2026-04-15
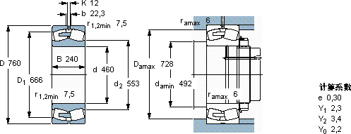
球面滚子轴承, 圆柱和圆锥孔, 圆柱型内孔, 无密封件
主要数据尺寸 基本负荷额定值 疲劳负荷限值 额定速度 体积 型号
动态 静态 参照速度 限制速度
d D B C C0 Pu * - SKF Explorer 轴承
mm kN kN r/min kg -
46076024064001080068043080044023192 CA/W33 *

SKF23192CA/W33*球面滚子轴承供应商

八零动力专业销售23192CA/W33*球面滚子轴承,库存SKF23192CA/W33*大量现货,与SKF合作,咨询热线:022-58519723业务咨询
SKF23192CA/W33*它的表面硬化处理,延长了它的使用寿命 它的制造工艺,堪称工业艺术的典范 轴承的耐用性极佳,为设备的长期稳定运行提供了保障出色的性能表现,让这款轴承成为行业内的明星产品,它的轻量化设计,减少了运输成本 承载重载历经岁月,八零动力SKF球面滚子轴承品种全,价格优,质量有保证!

用户关注最多的SKF轴承型号

SKF32206BJ2/QCL7CVA606 SKF6201-2ZN SKF71820ACD/P4 SKF71906ACD/P4A SKF7314BEGAF SKFBEAM030080-2RS/PE SKFBT2-8002/HA3 SKFC2212KV* SKFC2228K* SKFCR178X215X16CRSH11R SKFOKCX430 SKFQJ324N2MA SKFRNA4900.2RS SKFSYH3/4WF SKFWEEY004-2ZR

23192CA/W33*球面滚子轴承近似的SKF轴承型号

SKF23192CAK/W33* SKF23192CA/W33* SKF23192CAK/W33+AOHX3192G* SKF23192CAK/W33+OH3192H* SKF23192CA/W330 SKF23196CACK/W33

用户关注最多的轴承狗热门型号

FAG  SNV120-L + 1213-K-TVH-C3 + H213X203 + DH513X203 SKF  QJ203 INA  FLCTEY30 NTN  UCFU204 NSK  636ZZ INA  CSCAA010-TN FAG  6226-2Z SKF  CR40X62X6HMSA10V LYC  $6201 E-Z/Z1 LYC  6014 ZZ C3 SKF  FYR1.1/2H STEYR  NUP308 SKF  C31/600MB* MAC  N407 IKO  BA268Z

版权所有©2009-2015 轴承狗zcgou.com ICP备案:津ICP备14004550号-13