SKF230/800CA/W33*轴承详细参数

发布时间:2026-05-29
球面滚子轴承, 圆柱和圆锥孔, 圆柱型内孔, 无密封件
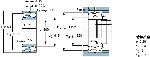
主要数据尺寸 基本负荷额定值 疲劳负荷限值 额定速度 体积 型号
动态 静态 参照速度 限制速度
d D B C C0 Pu * - SKF Explorer 轴承
mm kN kN r/min kg -
800115025810000200001160280480895230/800 CA/W33 *

SKF230/800CA/W33*球面滚子轴承供应商

八零动力专业销售230/800CA/W33*球面滚子轴承,库存SKF230/800CA/W33*大量现货,与SKF合作,咨询热线:022-58519723业务咨询
SKF230/800CA/W33*这款轴承的运转平稳,几乎听不到任何噪音,令人惊艳高精度的制造工艺,造就了这款高品质的轴承精湛的制造工艺赋予了这款轴承卓越的性能和品质 轴承的耐用性极佳,为设备的长期稳定运行提供了保障卓越的性能表现,让这款轴承在市场上脱颖而出它的尺寸一致性,让批量生产成为可能 ,八零动力SKF球面滚子轴承品种全,价格优,质量有保证!

用户关注最多的SKF轴承型号

SKF1208EKTN9+H208 SKF1217K+H217 SKF2317/710CA/W33 SKF23260CACK/W33+H3260 SKF32256J2/HA1 SKF61934MA SKF6208N* SKF71815CD/HCP4A SKFBT4B334042BG/HA1VA901 SKFCR24916 SKFCR30X42X7HMS5RG SKFCR99395 SKFFBSA204/DF SKFK80x88x40ZW SKFNN3092K/SPW33

230/800CA/W33*球面滚子轴承近似的SKF轴承型号

SKF230/900CAK/W33 SKF230/600CAK/W33+OH30/600H* SKF23096CAK/W33+OH3096H* SKF23048CCK/W33+AOH3048* SKF23084CA/W33* SKF230/750CA/W33* SKF230/530CA/W33* SKF230/500CAK/W33+OH30/500H* SKF230/950CAK/W33 SKF230/670CA/W33* SKF230/800CAK/W33* SKF230/850CAK/W33+AOH30/850

用户关注最多的轴承狗热门型号

国产  HK/12*17*18 MRC  71919C/DB NSK  HR32930J KOYO  577R/572 SKF  NUP2209E LYC  23222 /C4W33 INA  RUS38206-KS NTN  81210 STEYR  1219K SKF  7330BCBM SKF  IR6x9x12 SKF  BT4B334008G/HA1VA901 SKF  NN49/1320KFB/W33 LYC  011.45.1250.12/P5 SKF  CR36157

版权所有©2009-2015 轴承狗zcgou.com ICP备案:津ICP备14004550号-13