SKF23230CCK/W33+H2330*轴承详细参数

发布时间:2026-04-15
球面滚子轴承, 带紧定套的
主要数据尺寸 基本负荷额定值 疲劳负荷限值 额定速度 体积 型号
动态 静态 参照速度 限制速度 轴承 + 紧定套
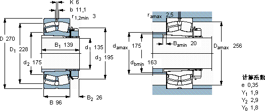
d1 D B C C0 Pu
* - SKF Explorer 轴承
mm kN kN r/min kg -
13527096108014601371600220030,023230 CCK/W33 + H 2330 *

SKF23230CCK/W33+H2330*球面滚子轴承供应商

八零动力专业销售23230CCK/W33+H2330*球面滚子轴承,库存SKF23230CCK/W33+H2330*大量现货,与SKF合作,咨询热线:022-58519723业务咨询
SKF23230CCK/W33+H2330*它的抗冲击能力,让它经久不衰 高品质的轴承,在复杂工况下也能展现出卓越的性能每一次转动都是精准与力量的完美呈现,轴承的精度和稳定性都达到了行业顶尖水平它的精密测量技术,确保了每一件产品的品质 它在电子设备中的应用,展现了它的高精密性 ,八零动力SKF球面滚子轴承品种全,价格优,质量有保证!

用户关注最多的SKF轴承型号

SKF629-2RS SKF687/672 SKF7017AC/DB SKF7204BEP SKFC3184KM+AOH3184G* SKFCR20X35X10HMS5V SKFCR85085 SKFFSYE3.11/16N SKFL45449/410/Q SKFNJ2322ECP* SKFNJ418+HJ418 SKFNN3013KTN/SP SKFSNW8x1.3/8 SKFSDAF23284 SKFW618/5

23230CCK/W33+H2330*球面滚子轴承近似的SKF轴承型号

SKF23230CCK/W33+H2330* SKF23230-2CS5/VT143* SKF23230CCK/W33+AHX3230G* SKF23230-2CS5K/VT143* SKF23230CC/W33* SKF23230CCK/W33* SKF23230CCK/W33+AHX3230G* SKF23230CC/W33

用户关注最多的轴承狗热门型号

国产  3707/780 SKF  23072CCK/W33+OH3072H* SKF  CR30X52X7HMSA10RG LYC  7022 ACM/P5 SKF  N28/1060MB RHP  7024C/DT STEYR  NJ2207E NTN  NJ2230E TIMKEN  14585/14525 NTN  24068BK30+AH24068H NACHI  24152EW33 SKF  BT2B328876/HA1 NSK  5304 LYC  D75492/530HK TORRINGTON&FAFNIR  7209C

版权所有©2009-2015 轴承狗zcgou.com ICP备案:津ICP备14004550号-13