SKF230/900CA/W33轴承详细参数

发布时间:2026-05-30
球面滚子轴承, 圆柱和圆锥孔, 圆柱型内孔, 无密封件
主要数据尺寸 基本负荷额定值 疲劳负荷限值 额定速度 体积 型号
动态 静态 参照速度 限制速度
d D B C C0 Pu
mm kN kN r/min kg -
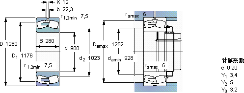
9001280280101002320013402204001200230/900 CA/W33

SKF230/900CA/W33球面滚子轴承供应商

八零动力专业销售230/900CA/W33球面滚子轴承,库存SKF230/900CA/W33大量现货,与SKF合作,咨询热线:022-58519723业务咨询
SKF230/900CA/W33旋转不息每一次旋转,都是品质的见证,它的密封性能,完美抵御灰尘和杂质的侵袭 减少摩擦降低能耗它在机器人领域的应用,展现了它的高精密性 是您成功路上的得力助手,,八零动力SKF球面滚子轴承品种全,价格优,质量有保证!

用户关注最多的SKF轴承型号

SKF21308EK* SKF30217T71J2/QDB SKF31330T179XJ2/DB SKF61813 SKF618/1250MB SKFC4024V* SKFCR26373 SKFCR440x480x20HDS1V SKFCR86687 SKFH322E SKFHA2336 SKFNJ212ECM* SKFNU2310E SKFRNA2204.2RS SKFSC7016FB/P7

230/900CA/W33球面滚子轴承近似的SKF轴承型号

SKF22230-2CS5/VT143* SKF23038CCK/W33+AH3038G* SKF23024-2CS2/VT143* SKF23092CAK/W33* SKF23044-2CS5K/VT143* SKF23032CC/W33* SKF23230CCK/W33* SKF23032CCK/W33* SKF230/750CAK/W33+AOH30/750* SKF23036CCK/W33* SKF230/900CAK/W33 SKF230/950CAK/W33+AOH30/950

用户关注最多的轴承狗热门型号

RHP  6218N LYC  HM237546DW/HM237510/B NSK  22322EAE4 TIMKEN  782 /772-B LYC  7320 ACM/P6/DB TIMKEN  240RT91 SKF  23268CACK/W33+H3268 SKF  7017C FAG  BND2226-Z-T-BF-S FAG  SNV072-L + 1207-K-TVH-C3 + H207 + FSV507 NACHI  NJ2314 LYC  22214 CK/C3W33 SKF  51412 FAG  SNV130-L + 1215-K-TVH-C3 + H215 + TCV515 INA  WS81132

版权所有©2009-2015 轴承狗zcgou.com ICP备案:津ICP备14004550号-13