SKF23096CA/W33*轴承详细参数

发布时间:2026-05-30
球面滚子轴承, 圆柱和圆锥孔, 圆柱型内孔, 无密封件
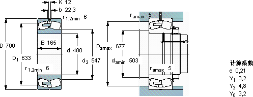
主要数据尺寸 基本负荷额定值 疲劳负荷限值 额定速度 体积 型号
动态 静态 参照速度 限制速度
d D B C C0 Pu * - SKF Explorer 轴承
mm kN kN r/min kg -
4807001653900680045053095021523096 CA/W33 *

SKF23096CA/W33*球面滚子轴承供应商

八零动力专业销售23096CA/W33*球面滚子轴承,库存SKF23096CA/W33*大量现货,与SKF合作,咨询热线:022-58519723业务咨询
SKF23096CA/W33*它的制造工艺,堪称工业艺术的典范 它的低摩擦设计,减少了能量损耗 轴承的选材优质,确保了其在各种环境下都能稳定工作该轴承的性能出色,有效提升了机械设备的整体性能先进的生产工艺,让这款轴承的性能得到了极大提升精湛的制造工艺赋予了这款轴承出色的性能和可靠性,八零动力SKF球面滚子轴承品种全,价格优,质量有保证!

用户关注最多的SKF轴承型号

SKF232/750CAF/W33 SKF30305 SKF3204A-2Z/MT33* SKF32244J2 SKF511/950F SKF53410 SKFCR15703 SKFCR48X62X8CRW1P SKFHA3132L SKFKMFE22L SKFNUP226ECP* SKFRNA4868 SKFSIR35ES SKFTU3/4TF SKFYEL207-104-2FCW

23096CA/W33*球面滚子轴承近似的SKF轴承型号

SKF23096CAK/W33* SKF23096CAK/W33+AOHX3096G* SKF23096CAK/W33+OH3096H* SKF23096CA/W33* SKF23096CA/W33 SKF2309E-2RS1TN9

用户关注最多的轴承狗热门型号

NSK  7934CDF 国产  NJ311 MAC  NUP304 KOYO  RS22/17 FAG  BND3044-H-C-T-AL-S SKF  SNW3028x4.15/16 国产  NU1034M TORRINGTON  23092CACK/W33 GMN  7205C/DB SKF  NU219ECML* KOYO  NN3006 MAC  NJ238 LYC  6214 E/C3Z1 NSK  23288CAKE4 IKO  LWE20...Q

版权所有©2009-2015 轴承狗zcgou.com ICP备案:津ICP备14004550号-13