SKF230/560CAK/W33*轴承详细参数

发布时间:2026-05-30
球面滚子轴承, 圆柱和圆锥孔, 圆锥型内孔, 无密封件
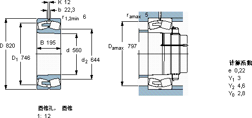
主要数据尺寸 基本负荷额定值 疲劳负荷限值 额定速度 体积 型号
动态 静态 参照速度 限制速度
d D B C C0 Pu * - SKF Explorer 轴承
mm kN kN r/min kg -
560820195560010200680430750345230/560 CAK/W33 *

SKF230/560CAK/W33*球面滚子轴承供应商

八零动力专业销售230/560CAK/W33*球面滚子轴承,库存SKF230/560CAK/W33*大量现货,与SKF合作,咨询热线:022-58519723业务咨询
SKF230/560CAK/W33*为您的机械提供持久动力,它的多样化应用,展现了它的无限可能 这轴承的设计精妙,充分考虑了各种实际应用需求让您的设备高效运行,以精湛工艺铸就它机械世界的心脏,默默支撑着无数设备的运转 ,八零动力SKF球面滚子轴承品种全,价格优,质量有保证!

用户关注最多的SKF轴承型号

SKF7032ACD/P4A SKF71800CD/HCP4A SKF71910ACD/P4A SKFBT2B328361/HA1 SKFCR224x260x16HDS1R SKFCR35X55X8HMS5RG SKFCR401500 SKFCR81389 SKFCR960x1020x25HDS1D SKFGE100CS-2Z SKFHK1214.2RS SKFHM3084 SKFNJ230ECJ* SKFPF1.3/16RM SKFW619/8-2Z

230/560CAK/W33*球面滚子轴承近似的SKF轴承型号

SKFBS2-2308-2CS/VT143* SKF23034CCK/W33+AH3034* SKF23076CC/W33* SKF23032-2CS5/VT143* SKF230/630CA/W33* SKF23056CCK/W33+AOH3056* SKF23072CCK/W33+AOH3072G* SKF230/530CA/W33* SKF22230-2CS5K/VT143* SKF230/800CA/W33* SKF230/560CAK/W33+OH30/560H* SKF230/560CA/W33*

用户关注最多的轴承狗热门型号

TIMKEN  SM1115KB SKF  NNF5007ADA-2LSV LYC  6315 E/C3 BARDEN  71924C/DB NSK  12BGR19S NSK  7201CTYNP5 LYC  JL 69349A STEYR  NJ318 TIMKEN  29880/29820DC/X1S-29880 TIMKEN  23234YM SKF  SY1.15/16PF/AH TIMKEN  32012X/32012X SKF  NA4826 KOYO  HM804846/10 KOYO  NJ2209E

版权所有©2009-2015 轴承狗zcgou.com ICP备案:津ICP备14004550号-13