SKF230/530CA/W33*轴承详细参数

发布时间:2026-05-30
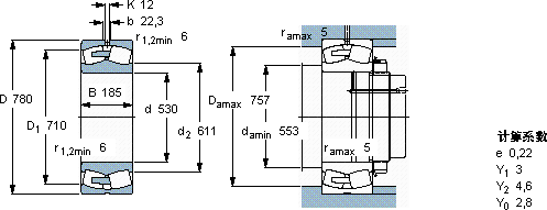
球面滚子轴承, 圆柱和圆锥孔, 圆柱型内孔, 无密封件
主要数据尺寸 基本负荷额定值 疲劳负荷限值 额定速度 体积 型号
动态 静态 参照速度 限制速度
d D B C C0 Pu * - SKF Explorer 轴承
mm kN kN r/min kg -
53078018551009300630450800310230/530 CA/W33 *

SKF230/530CA/W33*球面滚子轴承供应商

八零动力专业销售230/530CA/W33*球面滚子轴承,库存SKF230/530CA/W33*大量现货,与SKF合作,咨询热线:022-58519723业务咨询
SKF230/530CA/W33*以精湛工艺铸就为设备的精确运行提供了保障,该轴承的精度控制精准,为设备的精确运行提供了保障先进的制造技术,让这款轴承的质量达到了行业领先水平它在建筑机械中的应用,确保了设备的可靠性 它的润滑技术,让摩擦降至最低 品质永相随,八零动力SKF球面滚子轴承品种全,价格优,质量有保证!

用户关注最多的SKF轴承型号

SKF23122CCK/W33+H3122* SKF331617 SKF5213A-2Z SKF7224BM SKFAOH3064G SKFBS2-2213-2CSK/VT143* SKFCR7251 SKFCR87850 SKFCR99254 SKFIR30x35x13 SKFMBL26 SKFNUKRE40A SKFNUP332ECMA* SKFPFD40TF SKFYEL205-014-2FCW

230/530CA/W33*球面滚子轴承近似的SKF轴承型号

SKF23034CCK/W33+AH3034* SKF23056CCK/W33+AOH3056* SKF230/950CAK/W33+OH30/950H SKF23092CAK/W33* SKF23080CCK/W33* SKF230/800CAK/W33+AOH30/800* SKF22308E* SKF23044-2CS5K/VT143* SKF230/710CAK/W33+OH30/710H* SKF230/850CAK/W33+AOH30/850 SKF230/530CAK/W33* SKF230/560CAK/W33+AOH30/560*

用户关注最多的轴承狗热门型号

国产  6214 TIMKEN  12SF20-TT NACHI  52340 TORRINGTON FAFNIR  6234 SKF  NJG2340VH TIMKEN  EE101103/101601CD/X2S-101103 NTN  6201-2RS STEYR  32004 NSK  7240B SKF  24128CCK30/W33+AH24128* 国产  61860M MRC  6017-2Z FAG  H3268-HG NACHI  6320-2NSL IKO  CRW18-700

版权所有©2009-2015 轴承狗zcgou.com ICP备案:津ICP备14004550号-13