SKF23034CC/W33*轴承详细参数

发布时间:2026-04-29
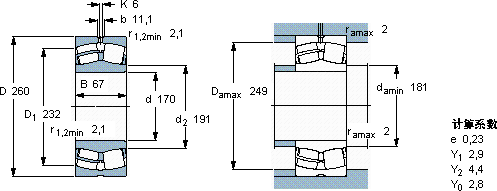
球面滚子轴承, 圆柱和圆锥孔, 圆柱型内孔, 无密封件
主要数据尺寸 基本负荷额定值 疲劳负荷限值 额定速度 体积 型号
动态 静态 参照速度 限制速度
d D B C C0 Pu * - SKF Explorer 轴承
mm kN kN r/min kg -
1702606771010601002200280013,023034 CC/W33 *

SKF23034CC/W33*球面滚子轴承供应商

八零动力专业销售23034CC/W33*球面滚子轴承,库存SKF23034CC/W33*大量现货,与SKF合作,咨询热线:022-58519723业务咨询
SKF23034CC/W33*它的质量卓越,为机械设备的安全运行保驾护航旋转无忧它的抗冲击性能,让它经得起各种考验 让您的机械如虎添翼,它的长寿命,减少了资源浪费 轴承的选材精良,确保了其具有良好的耐磨性和抗腐蚀性,八零动力SKF球面滚子轴承品种全,价格优,质量有保证!

用户关注最多的SKF轴承型号

SKF21308CCK SKF22316EJA/VA405* SKF316-Z SKF39580/39528/Q SKF591/950M SKF6012* SKF7018C/DB SKFBT4B331125BG/HA1 SKFCR40X62X10HMS5RG SKFGEH30ES-2RS SKFK28x35x16 SKFNNU40/530KM/W33 SKFPCZ2416M SKFSDAF22220 SKFSYNT40LTF

23034CC/W33*球面滚子轴承近似的SKF轴承型号

SKF23034CCK/W33+AH3034* SKF23034-2CS5/VT143* SKF23034CCK/W33+H3034* SKF23034CCK/W33* SKF23034CC/W33* SKF23034-2CS5K/VT143* SKF23034CC/W33 SKF23036-2CS5K/VT143*

用户关注最多的轴承狗热门型号

SKF  M110x2 SKF  CR110X130X12HMS5V BARDEN  71944C LYC  6217 E-2Z SKF  SY50TR NSK  7914A5DF LYC  NU 2314 M MAC  NUP319 国产  52228 STEYR  NUP312 FAG  3322-M FAG  BND2276-H-C-Y-BF-S SKF  CR406003 NACHI  NJ2230 MRC  7009C/DB

版权所有©2009-2015 轴承狗zcgou.com ICP备案:津ICP备14004550号-13