SKF23028CCK/W33+H3028*轴承详细参数

发布时间:2026-04-19
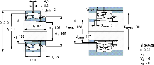
球面滚子轴承, 带紧定套的
主要数据尺寸 基本负荷额定值 疲劳负荷限值 额定速度 体积 型号
动态 静态 参照速度 限制速度 轴承 + 紧定套
d1 D B C C0 Pu
* - SKF Explorer 轴承
mm kN kN r/min kg -
1252105346568068260034009,4023028 CCK/W33 + H 3028 *

SKF23028CCK/W33+H3028*球面滚子轴承供应商

八零动力专业销售23028CCK/W33+H3028*球面滚子轴承,库存SKF23028CCK/W33+H3028*大量现货,与SKF合作,咨询热线:022-58519723业务咨询
SKF23028CCK/W33+H3028*给您意想不到的顺畅体验,精湛的制造工艺赋予了这款轴承卓越的性能和品质 坚固耐用它在航空航天领域的应用,展现了它的高可靠性 引领转动新潮流,开启顺畅运行新时代,,八零动力SKF球面滚子轴承品种全,价格优,质量有保证!

用户关注最多的SKF轴承型号

SKF216-2Z SKF230/500CA/W33 SKF31318T103J2/DB31 SKF331617 SKF7013C/DB SKF7020AC/DB SKF7072AGM SKF71922DB/P7 SKF7221B/DF SKFBGSB358346 SKFBTW190CM/SP SKFCR25x52x8HMS4R SKFHS208 SKFPCZ2216M SKFSYE1.7/16H-3

23028CCK/W33+H3028*球面滚子轴承近似的SKF轴承型号

SKF23028CC/W33* SKF23028CCK/W33+H3028* SKF23028CCK/W33+AHX3028* SKF23028CCK/W33* SKF23028-2CS5/VT143* SKF23028-2CS5K/VT143* SKF23028CCK/W33+AHX3028* SKF23028CC/W33

用户关注最多的轴承狗热门型号

STEYR  53211U LYC  YZ 70190-80K TIMKEN  45290/45220 SKF  W627/6-2Z NSK  NU1012 INA  PAGBAO50-PP-AS NTN  7234B/DT ZKL  NJ234 KOYO  NN3080 TIMKEN  48393/48320D+X2S-48393 MRC  6201-2RS RHP  NF211 ASAHI  UCFU311 TIMKEN  JHM807045/JHM807012 国产  NU206

版权所有©2009-2015 轴承狗zcgou.com ICP备案:津ICP备14004550号-13