SKF22308EK+H2308*轴承详细参数

发布时间:2026-04-15
球面滚子轴承, 带紧定套的
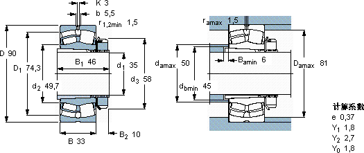
主要数据尺寸 基本负荷额定值 疲劳负荷限值 额定速度 体积 型号
动态 静态 参照速度 限制速度 轴承 + 紧定套
d1 D B C C0 Pu
* - SKF Explorer 轴承
mm kN kN r/min kg -
35903315014015600080001,2522308 EK + H 2308 *

SKF22308EK+H2308*球面滚子轴承供应商

八零动力专业销售22308EK+H2308*球面滚子轴承,库存SKF22308EK+H2308*大量现货,与SKF合作,咨询热线:022-58519723业务咨询
SKF22308EK+H2308*它的质量卓越,为机械设备的安全运行保驾护航设计独特、性能优越的轴承,满足了不同用户的需求轴承的精度和稳定性都达到了行业顶尖水平这款轴承的性能卓越,有效提升了设备的整体性能和可靠性高品质的轴承,在各种复杂环境下都能稳定发挥作用高精度的制造工艺,让这款轴承的性能更加出色,八零动力SKF球面滚子轴承品种全,价格优,质量有保证!

用户关注最多的SKF轴承型号

SKF32034T162X/DB31 SKF6005/HR11QN SKF61968 SKF7010AC SKF71912ACE/P4A SKF7418CBM SKFAOH3044G SKFCR1094110 SKFCR2850x2900x20.62HS8D SKFCR32501 SKFCR390x430x20HDS2D SKFCR54000 SKFFYK20TF SKFNK8/12 SKFNN3040/SPW33

22308EK+H2308*球面滚子轴承近似的SKF轴承型号

SKF22308EK+AH2308* SKF22308E* SKF22308EK* SKF22308E/VA405* SKF22308EK+H2308* SKF22308EK+AH2308* SKF22308E/VA405

用户关注最多的轴承狗热门型号

MRC  7330B STEYR  1300 SKF  FYTL40THR EASE  LB162636 TIMKEN  778/774D+X1S-778 NSK  UCFL216-302D1 STEYR  6317 TIMKEN  H247535/H247510CD+H247535XA DKF  7301AC/DF INA  RMEY45 KOYO  6206-RS LYC  240/1000/YA SKF  LM241148/110/QVQ051 SKF  CR38X58X8HMSA10V LYC  6004 E-2Z/P6

版权所有©2009-2015 轴承狗zcgou.com ICP备案:津ICP备14004550号-13