SKF230/500CA/W33*轴承详细参数

发布时间:2026-05-29
球面滚子轴承, 圆柱和圆锥孔, 圆柱型内孔, 无密封件
主要数据尺寸 基本负荷额定值 疲劳负荷限值 额定速度 体积 型号
动态 静态 参照速度 限制速度
d D B C C0 Pu * - SKF Explorer 轴承
mm kN kN r/min kg -
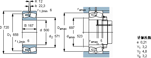
50072016741507800510500900225230/500 CA/W33 *

SKF230/500CA/W33*球面滚子轴承供应商

八零动力专业销售230/500CA/W33*球面滚子轴承,库存SKF230/500CA/W33*大量现货,与SKF合作,咨询热线:022-58519723业务咨询
SKF230/500CA/W33*这轴承的选材讲究,坚固耐用,寿命远超同类产品它在船舶工业中的应用,展现了它的耐腐蚀性 它的高效率,让机械运转更加节能 它的品质卓越,为机械设备的高效运行提供了坚实后盾它的几何精度,让机械运转分毫不差 它的精密设计,展现了人类智慧的巅峰 ,八零动力SKF球面滚子轴承品种全,价格优,质量有保证!

用户关注最多的SKF轴承型号

SKF2x7310BECBJ SKF313008A SKF53307U SKF7316B SKFCR40X56X8HMSA10RG SKFCR40X72X10HMSA10RG SKFCR99820 SKFFYTBKC35NTH SKFLL687949/910 SKFNATV5 SKFNCF28/710V SKFNU324ECM/C3VL0241 SKFNUP2224ECP SKFNUP2304E SKFWS81120

230/500CA/W33*球面滚子轴承近似的SKF轴承型号

SKF22230-2CS5/VT143* SKF23052CCK/W33+OH3052H* SKF23034CCK/W33+H3034* SKF23026CC/W33* SKF230/800CAK/W33+AOH30/800* SKF23076CCK/W33+AOH3076G* SKF23096CAK/W33* SKF230/560CAK/W33* SKF23040CCK/W33+H3040* SKF23038CCK/W33+H3038* SKF230/500CAK/W33* SKF230/530CAK/W33+AOH30/530*

用户关注最多的轴承狗热门型号

NACHI  23292EW33K SKF  CRMVR2-15 SKF  RMS20 NACHI  6810 NSK  7019A LYC  8787/1195 TIMKEN  G1100KRRB SKF  539/532A LYC  6905 2RS FAG  SNV090-L + 22308-E1-K + H2308 + DH608 INA  4130-AW MAC  NU1064 BARDEN  7203AC/DB IKO  CR10-1BR IKO  NA4918U

版权所有©2009-2015 轴承狗zcgou.com ICP备案:津ICP备14004550号-13