SKF22309EK+AH2309*轴承详细参数

发布时间:2026-04-14
球面滚子轴承, 带退卸套的
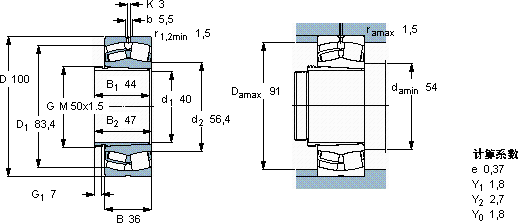
主要数据尺寸 基本负荷额定值 疲劳负荷限值 额定速度 体积 型号
动态 静态 参照速度 限制速度 轴承 +退卸套
d1 D B C C0 Pu
* - SKF Explorer 轴承
mm kN kN r/min kg -
401003618318319,6530070001,5522309 EK + AH 2309 *

SKF22309EK+AH2309*球面滚子轴承供应商

八零动力专业销售22309EK+AH2309*球面滚子轴承,库存SKF22309EK+AH2309*大量现货,与SKF合作,咨询热线:022-58519723业务咨询
SKF22309EK+AH2309*稳定旋转的核心力量制造工艺精湛,使得这款轴承的精度、稳定性和耐用性都非常出色先进的制造技术和严格的质量控制,造就了这款优质轴承品质卓越它的抗拉强度,让它经得起各种考验 让工作更高效,,八零动力SKF球面滚子轴承品种全,价格优,质量有保证!

用户关注最多的SKF轴承型号

SKF22240CC/W33 SKF23148CCK/W33+AOH3148* SKF3310A-2Z SKF6219-RS1* SKF61996 SKF7020CE/P4A SKFBT4B328365/HA1 SKFC3096KM* SKFCR12508 SKFCR13596 SKFCR22338 SKFCR54925 SKFNNU4936K/W33 SKFSAF22626 SKFYAR216-215-2F

22309EK+AH2309*球面滚子轴承近似的SKF轴承型号

SKF22309E/VA405* SKF22309EK+H2309* SKF22309E* SKF22309EK* SKF22309EK+AH2309* SKF22309EK* SKF22309EK+H2309*

用户关注最多的轴承狗热门型号

SKF  32224J2 FAG  SNV090-L + 1308-K-TVH-C3 + H308X106 + DH608 LYC  241/560 CA/W33 SKF  CR593855 NACHI  SN313FC SNR  32314 FAG  NUP244-E-M1 MRC  7202AC/DF NSK  7306BDB NSK  53217 KOYO  7311AC/DB TORRINGTON&FAFNIR  6207N RHP  6300-2RS FAG  SNV140-L + 2216-TVH + TSV216 TIMKEN  5208K

版权所有©2009-2015 轴承狗zcgou.com ICP备案:津ICP备14004550号-13