SKF230/900CAK/W33+OH30/900H轴承详细参数

发布时间:2026-05-30
球面滚子轴承, 带紧定套的
主要数据尺寸 基本负荷额定值 疲劳负荷限值 额定速度 体积 型号
动态 静态 参照速度 限制速度 轴承 + 紧定套
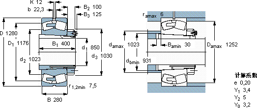
d1 D B C C0 Pu
mm kN kN r/min kg -
8501280280101002320013402204001580230/900 CAK/W33 + OH 30/900 H

SKF230/900CAK/W33+OH30/900H球面滚子轴承供应商

八零动力专业销售230/900CAK/W33+OH30/900H球面滚子轴承,库存SKF230/900CAK/W33+OH30/900H大量现货,与SKF合作,咨询热线:022-58519723业务咨询
SKF230/900CAK/W33+OH30/900H这款轴承的运转十分平稳,几乎感受不到任何震动它的润滑技术,让摩擦降至最低 优秀的设计和卓越的性能,让这款轴承备受青睐它的滚动体与沟槽的配合,堪称完美 这轴承的稳定性极佳,即使在恶劣环境下也能正常工作轴承的性能可靠,为机械设备的稳定运行立下汗马功劳,八零动力SKF球面滚子轴承品种全,价格优,质量有保证!

用户关注最多的SKF轴承型号

SKF231/800CAK/W33+OH31/800H SKF2317K SKF3984/2/3920/2/Q SKF5309E-2RS1 SKFCR28687 SKFCR39245 SKFCR87421 SKFGE50CJ2 SKFGEC670TXA-2RS SKFHK3012 SKFHK5020 SKFN207ECP* SKFSAF22630 SKFSNW11x2 SKFVJ-PDNB305

230/900CAK/W33+OH30/900H球面滚子轴承近似的SKF轴承型号

SKF23068CCK/W33+AOH3068G* SKF230/950CAK/W33+OH30/950H SKF23032CCK/W33+H3032* SKF230/1250CAF/W33 SKF23036CCK/W33+H3036* SKF22308EK+AH2308* SKF23230CCK/W33+H2330* SKF23034CCK/W33* SKF230/560CAK/W33+AOH30/560* SKF22230CC/W33* SKF230/900CAK/W33+AOH30/900 SKF230/900CAK/W33

用户关注最多的轴承狗热门型号

TIMKEN  27684 /27620-B FAG  BND3068-Z-T-AL-S NTN  24036BK30 LYC  4072 X2DCM/P6 TORRINGTON  24040CCK30/W33 MAC  NUP2312 KOYO  63/22-2RZ NSK  7228CTYNP5 TIMKEN  67389/67320 SKF  NJ312E+HJ312E SKF  NUP238E NSK  HR323/28C SYEYR  NU2304 LYC  23244 K/C4W33 IKO  RNA69-32UU

版权所有©2009-2015 轴承狗zcgou.com ICP备案:津ICP备14004550号-13