SKF23026-2CS5/VT143*轴承详细参数

发布时间:2026-04-19
球面滚子轴承, 圆柱和圆锥孔, 圆柱型内孔, 两面密封件
主要数据尺寸 基本负荷额定值 疲劳负荷限值 额定速度 体积 型号
动态 静态 参照速度 限制速度
d D B C C0 Pu * - SKF Explorer 轴承
mm kN kN r/min kg -
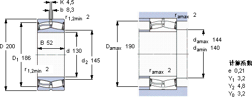
1302005243061062-8006,0023026-2CS5/VT143 *

SKF23026-2CS5/VT143*球面滚子轴承供应商

八零动力专业销售23026-2CS5/VT143*球面滚子轴承,库存SKF23026-2CS5/VT143*大量现货,与SKF合作,咨询热线:022-58519723业务咨询
SKF23026-2CS5/VT143*质量上乘的轴承,是提升机械设备性能的关键因素制造工艺精湛,使得这款轴承的精度、稳定性和耐用性都非常出色轴承的耐用性超乎想象,有效降低了设备的维护成本坚固的结构稳定的性能质量无可比拟的轴承,在行业内树立了良好的品质标杆它的密封性能,减少了润滑剂的泄漏 ,八零动力SKF球面滚子轴承品种全,价格优,质量有保证!

用户关注最多的SKF轴承型号

SKF22314EK* SKF23060CC/W33* SKF316351CB SKF353108A SKF7206B SKFCR120X150X12HMSA10V SKFCR50X90X10HMSA10V SKFCR80x100x13CRSA1R SKFCR960x1040x23HDS2R SKFCR99818 SKFIR30x35x20.5 SKFKR19PPSKA SKFNU206ECJ* SKFS7007ACD/HCP4A SKFSNW8x1.1/4

23026-2CS5/VT143*球面滚子轴承近似的SKF轴承型号

SKF23026CCK/W33+H3026* SKF23026-2CS5K/VT143* SKF23026CCK/W33* SKF23026CC/W33* SKF23026-2CS5/VT143* SKF23026CCK/W33+AHX3026* SKF23026-2CS5K/VT143* SKF23026CCK/33+H3026

用户关注最多的轴承狗热门型号

INA  RSRB15-92-L0 NSK  F634ZZ1 SKF  C3160K* SKF  CR1150253 SKF  N214E INA  VSU251055 STEYR  7338B/DT TIMKEN  K10X14X10H SKF  21320CCK+H320 NSK  55BER10X LYC  FC 4666206/YB/02 NSK  NU417M NTN  24060CACK30/W33 SKF  6218N SKF  CR100x135x12CRWA1R

版权所有©2009-2015 轴承狗zcgou.com ICP备案:津ICP备14004550号-13