
SKFYEL204-012-2F轴承详细参数
发布时间:2026-04-15
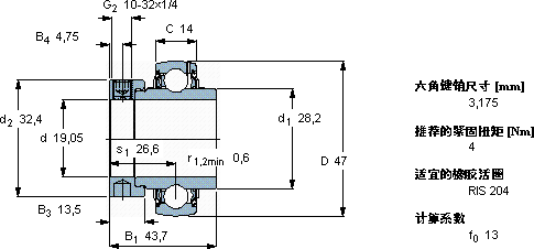
| | | | | | | | | | |
| Y-轴承, 带偏心锁定环的, YEL 2-2F |
 |
| 主要数据尺寸 | 基本负荷额定值 | 疲劳负荷限值 | 限制速度 | 体积 | 型号 |
| | 动态 | 静态 | | |
| d | D | B1 (B) | C | C | C0 | Pu | 用于轴公差h6 |
 |
| mm | kN | kN | r/min | kg | - |
 |
| 19,05 | 47 | 43,7 | 14 | 12,7 | 6,55 | 0,28 | 8500 | 0,20 | YEL 204-012-2F |
SKFYEL204-012-2F外球面球轴承Y-轴承供应商
- 八零动力专业销售YEL204-012-2F外球面球轴承Y-轴承,库存SKFYEL204-012-2F大量现货,与SKF合作,咨询热线:022-58519723

- SKFYEL204-012-2F该轴承的性能优越,极大地提高了设备的工作效率它的每一次转动,都是对精准度的极致追求 是您机械世界里的不败功臣,轴承的稳定性和可靠性表现出色,赢得了用户的高度认可它的抗磨损涂层,让它更加耐用 轴承的精度和稳定性都达到了行业顶尖水平,八零动力SKF外球面球轴承Y-轴承品种全,价格优,质量有保证!
用户关注最多的SKF轴承型号
SKF22224E*
SKF5209A-2Z*
SKF601XZZS
SKF71930CD/P4A
SKFALS40ABM
SKFCR20965
SKFCR3626
SKFCR380x418x19HS7R
SKFCR38X62X10HMS5V
SKFFSAF1516
SKFN2208
SKFNJ240E+HJ240E
SKFNU315ECJ*
SKFS71919ACD/P4A
SKFSC45ES