SKFYEL210-115-2F轴承详细参数

发布时间:2026-05-30
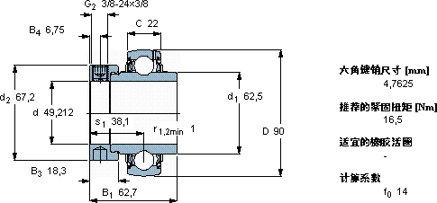
Y-轴承, 带偏心锁定环的, YEL 2-2F
主要数据尺寸 基本负荷额定值 疲劳负荷限值 限制速度 体积 型号
动态 静态
d D B1 (B) C C C0 Pu 用于轴公差h6
mm kN kN r/min kg -
49,2129062,72235,123,20,9840000,93YEL 210-115-2F

SKFYEL210-115-2F外球面球轴承Y-轴承供应商

八零动力专业销售YEL210-115-2F外球面球轴承Y-轴承,库存SKFYEL210-115-2F大量现货,与SKF合作,咨询热线:022-58519723业务咨询
SKFYEL210-115-2F它的尺寸一致性,让批量生产成为可能 转动的艺术它的每一次转动,都是对精准度的极致追求 它的质量可靠,是众多机械设备制造商的首选配件这轴承的选材讲究,坚固耐用,寿命远超同类产品质量上乘的轴承,为设备的高效稳定运行奠定了基础,八零动力SKF外球面球轴承Y-轴承品种全,价格优,质量有保证!

用户关注最多的SKF轴承型号

SKF7210AC/DB SKFBS2-2224-2CS5/VT143* SKFBTM130B/HCP4CDBA SKFCR29868 SKFCR33X50X6HMSA10V SKFCR9347 SKFFSYE3.11/16NH SKFFY2.TF/VA228 SKFHA2324 SKFHMV190E SKFIR50x60x25 SKFNJ213E+HJ213E SKFP80R-1.3/8WF SKFP85R-1.1/2WF SKFS71909ACD/HCP4A

YEL210-115-2F外球面球轴承Y-轴承近似的SKF轴承型号

SKFYAR210-2RF/W64 SKFYEL210-115-2F SKFYAR210-115-2F SKFYAR210-2FW/VA228 SKFYAR210-115-2FW/VA228 SKF1726210-2RS1 SKFYEL210-2F SKFYAR210-112-2F SKFYEL210-115-2FCW SKFYAR210-2FW/VA201 SKFYEL209-2F SKFYEL210-115-2FCW

用户关注最多的轴承狗热门型号

SNR  7201AC/DB INA  SL183056 NACHI  6201ZE TIMKEN  365A/363D/X1S-365A 国产  UELFLU212 NACHI  6221Z KOYO  NU221 NACHI  54220 SKF  CR8625 FAG  BND3276-H-C-T-BL-S FAG  SNV110-L + 1310-K-TVH-C3 + H310X112 + DH610 ASAHI  UC318 NSK  7915CTYNP5 ZKL  30312 IKO  SF650A

版权所有©2009-2015 轴承狗zcgou.com ICP备案:津ICP备14004550号-13