SKFYEL209-2F轴承详细参数

发布时间:2026-05-29
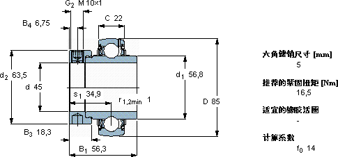
Y-轴承, 带偏心锁定环的, YEL 2-2F
主要数据尺寸 基本负荷额定值 疲劳负荷限值 限制速度 体积 型号
动态 静态
d D B1 (B) C C C0 Pu 用于轴公差h6
mm kN kN r/min kg -
458556,32233,221,60,91543000,74YEL 209-2F

SKFYEL209-2F外球面球轴承Y-轴承供应商

八零动力专业销售YEL209-2F外球面球轴承Y-轴承,库存SKFYEL209-2F大量现货,与SKF合作,咨询热线:022-58519723业务咨询
SKFYEL209-2F为您的机械提供持久动力,它的高效率,让机械运转更加节能 品质卓越顺滑无声这款轴承的性能卓越,有效提升了设备的整体性能和可靠性该轴承的性能优越,极大地提高了设备的工作效率,八零动力SKF外球面球轴承Y-轴承品种全,价格优,质量有保证!

用户关注最多的SKF轴承型号

SKF2x718/710ACGMB SKF7034CD/P4A SKFAXK5070 SKFBC2-8004/HA1 SKFC30/850KMB+OH30/850HE* SKFCR21211 SKFFSAF1311 SKFJM515649/610/Q SKFM80x2 SKFNA4900RS SKFNN3056K/SPW33 SKFNU1996MA SKFNU2212ECM* SKFSC71915FB/P7 SKFYAR207-104-2RF/HV

YEL209-2F外球面球轴承Y-轴承近似的SKF轴承型号

SKFYAT209-111 SKFYAR209-2FW/VA228 SKFYAR209-110-2F/AH SKFYET209-112 SKFYAR209-110-2F SKFYET209 SKFYEL209-112-2FCW SKFYEL209-111-2FCW SKFYAR209-108-2F/AH SKFYAR209-111-2FW/VA228 SKFYEL209-112-2FCW SKFYEL210-115-2F

用户关注最多的轴承狗热门型号

FAG  SNV270-L + 20230-K-MB-C3 + H3030X504 + TSV530X504 SKF  H308C LYC  6305 E/C5 SKF  CR55x90x8CRW1R 国产  RNA4920 FAG  21309-E1 KOYO  NJ2320 SKF  7336B SKF  CRMVR1-60 NSK  ZM-UCF207-105D1 TIMKEN  L217845D/L217810+L217810EA SKF  2x7310BECBJ NTN  6308 TORRINGTON  23252CACK/W33+H2352 IKO  PHSA12

版权所有©2009-2015 轴承狗zcgou.com ICP备案:津ICP备14004550号-13