
SKFYEL209-112-2F轴承详细参数
发布时间:2026-04-14
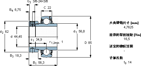
| | | | | | | | | | |
| Y-轴承, 带偏心锁定环的, YEL 2-2F |
 |
| 主要数据尺寸 | 基本负荷额定值 | 疲劳负荷限值 | 限制速度 | 体积 | 型号 |
| | 动态 | 静态 | | |
| d | D | B1 (B) | C | C | C0 | Pu | 用于轴公差h6 |
 |
| mm | kN | kN | r/min | kg | - |
 |
| 44,45 | 85 | 56,3 | 22 | 33,2 | 21,6 | 0,915 | 4300 | 0,77 | YEL 209-112-2F |
SKFYEL209-112-2F外球面球轴承Y-轴承供应商
- 八零动力专业销售YEL209-112-2F外球面球轴承Y-轴承,库存SKFYEL209-112-2F大量现货,与SKF合作,咨询热线:022-58519723

- SKFYEL209-112-2F稳定旋转的核心力量精准运转优秀的设计理念和精湛的制造工艺,成就了这款杰出的轴承它的耐磨性能,让它在恶劣环境下依然稳定运行 出色的性能表现,让这款轴承成为行业内的明星产品,轴承的稳定性和可靠性都十分出色,赢得了用户的信赖,八零动力SKF外球面球轴承Y-轴承品种全,价格优,质量有保证!
用户关注最多的SKF轴承型号
SKF2203ETN9
SKF22240-2CS5K/VT143*
SKF3308A-2ZTN9/MT33*
SKF61910-RZ
SKF7202B/DB
SKFAS140180
SKFBC4B322498
SKFCR1100112
SKFCR32x52x8CRW1R
SKFCR402504
SKFFSYE2.1/2NH-118
SKFHMV102E
SKFNN3038K/SPW33
SKFNNCF5052CV
SKFNU28/600ECMA