
SKFYEL209-111-2F轴承详细参数
发布时间:2026-04-14
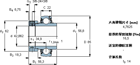
| | | | | | | | | | |
| Y-轴承, 带偏心锁定环的, YEL 2-2F |
 |
| 主要数据尺寸 | 基本负荷额定值 | 疲劳负荷限值 | 限制速度 | 体积 | 型号 |
| | 动态 | 静态 | | |
| d | D | B1 (B) | C | C | C0 | Pu | 用于轴公差h6 |
 |
| mm | kN | kN | r/min | kg | - |
 |
| 42,862 | 85 | 56,3 | 22 | 33,2 | 21,6 | 0,915 | 4300 | 0,82 | YEL 209-111-2F |
SKFYEL209-111-2F外球面球轴承Y-轴承供应商
- 八零动力专业销售YEL209-111-2F外球面球轴承Y-轴承,库存SKFYEL209-111-2F大量现货,与SKF合作,咨询热线:022-58519723

- SKFYEL209-111-2F它的热处理工艺,增强了它的硬度和韧性 稳定持久该轴承的性能卓越,完全满足了各种严苛工况的需求给您意想不到的顺畅体验,转动不停歇卓越的性能和可靠的质量,让这款轴承成为市场的宠儿,八零动力SKF外球面球轴承Y-轴承品种全,价格优,质量有保证!
用户关注最多的SKF轴承型号
SKF23260CACK/W33+H3260
SKF241/530ECA/W33*
SKF53418U
SKF7016CD/HCP4A
SKF71904CD/HCP4A
SKF71918DB/P7
SKFC2211KV*
SKFC2230K+H3130L*
SKFNKX17Z
SKFNU322E
SKFPCM808580M
SKFPCZ4040B
SKFPF20TF
SKFSY1.1/2WF
SKFSYH7/8TF/AH