
SKFF1.1/4AFM轴承详细参数
发布时间:2026-05-29
| | | | | | | | | | | | |
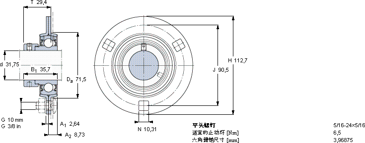
| Y-型轴承带法兰单元, 冲压钢轴承座,偏心锁定轴环 |
 |
| 尺寸 | 基本负荷额定值 | 可允许住 | 质量 | 轴承单元 | 定购代号 |
| | 动态 | 静态 | 房装载 | 轴承 | | 轴承座 | 轴承 |
| d | Da | H | J | T | C | C0 | 径向 | 单元 | | | |
 |
| mm | kN | kN | kg | - |
 |
| 31,75 | 71,5 | 112,7 | 90,5 | 29,4 | 19,5 | 11,2 | - | 0,58 | F 1.1/4 AFM | 62MM-3 | YET 206-104 |
SKFF1.1/4AFMY-轴承法兰单元供应商
- 八零动力专业销售F1.1/4AFMY-轴承法兰单元,库存SKFF1.1/4AFM大量现货,与SKF合作,咨询热线:022-58519723

- SKFF1.1/4AFM它在印刷机械中的应用,展现了它的高精度 它的抗冲击性能,让它经得起各种考验 它的材质选择,体现了对品质的极致追求 设计独特、性能优越的轴承,满足了不同用户的需求设计合理、性能优良的它,是机械设备稳定运行的重要保障精湛的工艺打造出的轴承,精度和稳定性都令人称赞,八零动力SKFY-轴承法兰单元品种全,价格优,质量有保证!
用户关注最多的SKF轴承型号
SKF53204U
SKF61913-RZ
SKF7200AC/DT
SKFBFS-0004E/HA3
SKFBTM90A/P4CDBA
SKFCR52488
SKFCR45x85x10HMS4R
SKFCRMVR1-65
SKFCR99146
SKFHM30/750
SKFNJ2326ECPA*
SKFNU2209ECP*
SKFP52R-20TF
SKFSNP148x8.15/16
SKFTVN215WA