SKFYEL208-108-2F轴承详细参数

发布时间:2026-05-30
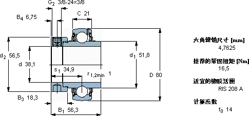
Y-轴承, 带偏心锁定环的, YEL 2-2F
主要数据尺寸 基本负荷额定值 疲劳负荷限值 限制速度 体积 型号
动态 静态
d D B1 (B) C C C0 Pu 用于轴公差h6
mm kN kN r/min kg -
38,18056,32130,7190,848000,75YEL 208-108-2F

SKFYEL208-108-2F外球面球轴承Y-轴承供应商

八零动力专业销售YEL208-108-2F外球面球轴承Y-轴承,库存SKFYEL208-108-2F大量现货,与SKF合作,咨询热线:022-58519723业务咨询
SKFYEL208-108-2F性能优越的轴承,极大地提高了设备的工作效率和稳定性它的可回收性,减少了废弃物处理成本 它的润滑技术,让摩擦降至最低 它虽小,却是工业革命的基石 卓越的设计理念,赋予了这款轴承超凡的性能精湛的工艺打造出的轴承,精度和稳定性都令人称赞,八零动力SKF外球面球轴承Y-轴承品种全,价格优,质量有保证!

用户关注最多的SKF轴承型号

SKF22334CC/W33 SKF241/800ECA/W33 SKF33115 SKF71910AC SKF7224BCBM SKFCR13920 SKFCR38X54X10HMSA10RG SKFCR42X56X7HMSA10V SKFFBSA210/DF SKFNN3026KTN9/SP SKFNNU4080F/W33 SKFRSTO50 SKFS71928ACD/HCP4A SKFSNW40x7.1/4 SKFYEL209-112-2FCW

YEL208-108-2F外球面球轴承Y-轴承近似的SKF轴承型号

SKFYAR208-2FW/VA228 SKFYQC208-014W SKFYAR213-208-2F/AH SKFYAR208-108-2F SKFYAT208-108 SKFYAR208-107-2F/AH SKFYAR208-108-2F/AH SKFYQC208-102CW SKF1726208-2RS1 SKFYET208-108 SKFYEL207-2RF/W64 SKFYEL208-108-2FCW

用户关注最多的轴承狗热门型号

KOYO  30312 INA  WZ2-1/2 LYC  6310/C4S1 TIMKEN  210RJ02 TIMKEN  T169W SKF  NJ2212ECML* LYC  6912 ZZ KOYO  6306 KOYO  RS354017 INA  SL181872-E RIV  NF309 FAG  SNV140-L + 1216-K-TVH-C3 + H216X211 + FSV516X211 SNR  7306AC SKF  QJ307MA IKO  MXL45

版权所有©2009-2015 轴承狗zcgou.com ICP备案:津ICP备14004550号-13