
SKFYEL208-2F轴承详细参数
发布时间:2026-05-30
| | | | | | | | | | |
| Y-轴承, 带偏心锁定环的, YEL 2-2F |
 |
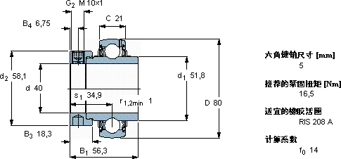
| 主要数据尺寸 | 基本负荷额定值 | 疲劳负荷限值 | 限制速度 | 体积 | 型号 |
| | 动态 | 静态 | | |
| d | D | B1 (B) | C | C | C0 | Pu | 用于轴公差h6 |
 |
| mm | kN | kN | r/min | kg | - |
 |
| 40 | 80 | 56,3 | 21 | 30,7 | 19 | 0,8 | 4800 | 0,67 | YEL 208-2F |
SKFYEL208-2F外球面球轴承Y-轴承供应商
- 八零动力专业销售YEL208-2F外球面球轴承Y-轴承,库存SKFYEL208-2F大量现货,与SKF合作,咨询热线:022-58519723

- SKFYEL208-2F它的质量过硬,为机械设备的高效、安全、稳定运行 为您的工程保驾护航,品质永相随它的轴向跳动控制,确保了机械的平稳运行 为设备的精确运行提供了保障,该轴承的精度控制精准,为设备的精确运行提供了保障铸就卓越品质,,八零动力SKF外球面球轴承Y-轴承品种全,价格优,质量有保证!
用户关注最多的SKF轴承型号
SKF1726306-2RS1
SKF29318
SKF6220/C3VL0241
SKF7218BEGBF
SKFAH3132G
SKFCR46200
SKFCR920x984x25HDS2V
SKFHM266449/410
SKFJM714249/210/Q
SKFK-T1120
SKFNN49/1320KFB/W33
SKFNNU40/950M/W33
SKFRNA4900RS
SKFSAL60TXE-2LS
SKFSDAF23272