
SKFYEL206-101-2FCW轴承详细参数
发布时间:2026-05-30
| | | | | | | | | | |
| Y-轴承, 带偏心锁定环的, YEL 2-2FCW |
 |
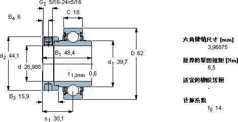
| 主要数据尺寸 | 基本负荷额定值 | 疲劳负荷限值 | 限制速度 | 体积 | 型号 |
| | 动态 | 静态 | | |
| d | D | B1 (B) | C | C | C0 | Pu | 用于轴公差h6 |
 |
| mm | kN | kN | r/min | kg | - |
 |
| 26,988 | 62 | 48,4 | 18 | 19,5 | 11,2 | 0,475 | 6300 | 0,41 | YEL 206-101-2FCW |
SKFYEL206-101-2FCW外球面球轴承Y-轴承供应商
- 八零动力专业销售YEL206-101-2FCW外球面球轴承Y-轴承,库存SKFYEL206-101-2FCW大量现货,与SKF合作,咨询热线:022-58519723

- SKFYEL206-101-2FCW它的精密设计,展现了人类智慧的巅峰 卓越的设计和可靠的性能,是这款轴承的两大亮点不得不说,这款轴承的品质过硬,在行业内堪称典范,轴承的选材精良,确保了其具有良好的耐磨性和抗腐蚀性旋转不息它的耐腐蚀性,减少了维护成本 ,八零动力SKF外球面球轴承Y-轴承品种全,价格优,质量有保证!
用户关注最多的SKF轴承型号
SKF24156CC/W33*
SKF248/670CAMA/W20
SKF2x7311BECBPH*
SKF6210-ZNR*
SKF70/530AM
SKFCR170X190X15CRSH1R
SKFCR33711
SKFCR403754
SKFCR42433
SKFCR48X62X8HMSA10RG
SKFCR99353
SKFNU1040MA
SKFNUP322ECP
SKFP80R-1.1/4WF
SKFP85R-40RM