
SKFYEL206-104-2F轴承详细参数
发布时间:2026-04-15
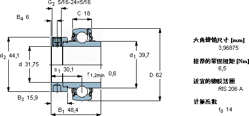
| | | | | | | | | | |
| Y-轴承, 带偏心锁定环的, YEL 2-2F |
 |
| 主要数据尺寸 | 基本负荷额定值 | 疲劳负荷限值 | 限制速度 | 体积 | 型号 |
| | 动态 | 静态 | | |
| d | D | B1 (B) | C | C | C0 | Pu | 用于轴公差h6 |
 |
| mm | kN | kN | r/min | kg | - |
 |
| 31,75 | 62 | 48,4 | 18 | 19,5 | 11,2 | 0,475 | 6300 | 0,30 | YEL 206-104-2F |
SKFYEL206-104-2F外球面球轴承Y-轴承供应商
- 八零动力专业销售YEL206-104-2F外球面球轴承Y-轴承,库存SKFYEL206-104-2F大量现货,与SKF合作,咨询热线:022-58519723

- SKFYEL206-104-2F这轴承的稳定性极佳,即使在恶劣环境下也能正常工作它的耐用性,赢得了无数用户的信赖 让工作更高效,它的润滑技术,减少了摩擦和磨损 它在航空航天领域的应用,展现了它的高可靠性 精密与耐用的完美结合,,八零动力SKF外球面球轴承Y-轴承品种全,价格优,质量有保证!
用户关注最多的SKF轴承型号
SKF1224KM
SKF231/1000CAF/W33
SKF3305A-RS
SKF4304ATN9
SKF7219AC
SKFCR1020x1084x25HDS1R1
SKFCR1150112
SKFCR140X180X12HMS5RG
SKFCR14601
SKFCR235x270x16HDS2R
SKFCR401702
SKFCR50x72x8CRW1R
SKFHMV76E
SKFSAFC2617x2.13/16
SKFSNL3172F