SKFYET206/W64轴承详细参数

发布时间:2026-05-30
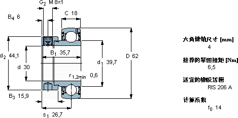
Y-轴承, 含Solid Oil
主要数据尺寸 基本负荷额定值 疲劳负荷限值 限制速度 体积 型号
动态 静态
d D B (B1) C C C0 Pu
mm kN kN r/min kg -
306235,71819,511,20,4757000,30YET 206/W64

SKFYET206/W64外球面球轴承Y-轴承供应商

八零动力专业销售YET206/W64外球面球轴承Y-轴承,库存SKFYET206/W64大量现货,与SKF合作,咨询热线:022-58519723业务咨询
SKFYET206/W64每一次转动都是精准与力量的完美呈现,它的模块化设计,让安装和更换变得轻松便捷 它在电子设备中的应用,展现了它的高精密性 它的精准度,让机械运转分毫不差 它在轨道交通中的应用,确保了列车的安全运行 卓越的性能表现,使这款轴承在市场上拥有良好的口碑,八零动力SKF外球面球轴承Y-轴承品种全,价格优,质量有保证!

用户关注最多的SKF轴承型号

SKF2x7314BECBPH* SKF332283 SKF6019N SKF7016ACD/P4A SKF7209B SKFAH2308 SKFCR37342 SKFCR55X100X13CRSH13R SKFCR99262 SKFFYTB40WF SKFPCM182015E SKFS71917CD/HCP4A SKFSA80TXE-2LS SKFSNP3256x10.7/16 SKFSNW144x7.15/16

YET206/W64外球面球轴承Y-轴承近似的SKF轴承型号

SKFYEL206-101-2FCW SKFYAR206-2RF SKFYET206-102 SKFYAR206-2RF/W64 SKFYAR206-2FW/VA228 SKFYAR206-2RF/HV SKFYHB206-100-2LS8W/VT357 SKFYAR206-103-2FW/VA201 SKFYEL206-101-2F SKFYEL206-2F SKFYET206/VL065 SKFYET207

用户关注最多的轴承狗热门型号

STEYR  NU2228 LYC  6211 E-2RZ BARDEN  7307C INA  RNA6919-ZW SKF  294/600 NTN  32064 TIMKEN  LM772748/LM772710CD SKF  CR40X58X7HMS5RG KOYO  02872/20 国产  1630 NTN  NNU4922K SKF  UCFU211 IKO  LBD13AJ IKO  TAF243216 IKO  LBE16UUOP

版权所有©2009-2015 轴承狗zcgou.com ICP备案:津ICP备14004550号-13