SKFYEL206-2F轴承详细参数

发布时间:2026-04-15
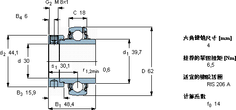
Y-轴承, 带偏心锁定环的, YEL 2-2F
主要数据尺寸 基本负荷额定值 疲劳负荷限值 限制速度 体积 型号
动态 静态
d D B1 (B) C C C0 Pu 用于轴公差h6
mm kN kN r/min kg -
306248,41819,511,20,47563000,36YEL 206-2F

SKFYEL206-2F外球面球轴承Y-轴承供应商

八零动力专业销售YEL206-2F外球面球轴承Y-轴承,库存SKFYEL206-2F大量现货,与SKF合作,咨询热线:022-58519723业务咨询
SKFYEL206-2F它的耐腐蚀性,让它经久不衰 高精度与高可靠性的完美结合,成就了这款杰出的轴承这轴承的精度控制令人佩服,为设备的精准运行提供了保障为您的工程保驾护航,它的质量过硬,为机械设备的高效、安全运行提供了保障它的轻量化设计,减少了运输成本 ,八零动力SKF外球面球轴承Y-轴承品种全,价格优,质量有保证!

用户关注最多的SKF轴承型号

SKF33024X/DF SKF3303A-2ZTN9/MT33 SKF6336M SKFCR110x145x12CRW1R SKFCR24X35X7HMSA10RG SKFCR6372 SKFNCF2224V SKFNJ321E+HJ321E SKFNNU4156M/W33 SKFNUP212ECM* SKFNU1014ECP SKFNU2232ECMA* SKFOH3184H SKFPCM323630B SKFTUJ30TF

YEL206-2F外球面球轴承Y-轴承近似的SKF轴承型号

SKFYET206-101 SKFYAR206-101-2F SKFYAR206-103-2F SKFYET206-103 SKFYET206/VL065 SKFYAR206-2FW/VA201 SKFYAR206-2RF/HV SKFYAR206-103-2FW/VA201 SKFYAT206-102 SKFYAR206-104-2F/AH SKFYEL206-104-2FCW SKFYEL206-2RF/VL065

用户关注最多的轴承狗热门型号

LYC  32315 SKF  N306E NTN  23044CC/W33 LYC  KIW-87120 X2/P4 LYC  NJ 212 M/C4 GMN  7030AC/DB KOYO  54204 SKF  IR20x25x20 NSK  22220HE4 NSK  45BNR20HV1V SKF  NUP411 SKF  238/630CAMA/W20 DKF  7018AC/DF SKF  CR10172 IKO  CF10-1BUURM

版权所有©2009-2015 轴承狗zcgou.com ICP备案:津ICP备14004550号-13