
SKFYEL203-010-2FCW轴承详细参数
发布时间:2026-05-30
| | | | | | | | | | |
| Y-轴承, 带偏心锁定环的, YEL 2-2FCW |
 |
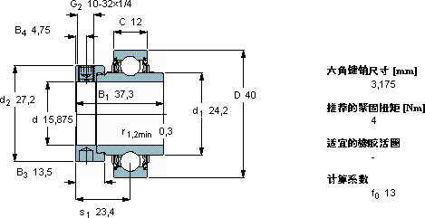
| 主要数据尺寸 | 基本负荷额定值 | 疲劳负荷限值 | 限制速度 | 体积 | 型号 |
| | 动态 | 静态 | | |
| d | D | B1 (B) | C | C | C0 | Pu | 用于轴公差h6 |
 |
| mm | kN | kN | r/min | kg | - |
 |
| 15,875 | 40 | 37,3 | 12 | 9,56 | 4,75 | 0,2 | 9500 | 0,13 | YEL 203-010-2FCW |
SKFYEL203-010-2FCW外球面球轴承Y-轴承供应商
- 八零动力专业销售YEL203-010-2FCW外球面球轴承Y-轴承,库存SKFYEL203-010-2FCW大量现货,与SKF合作,咨询热线:022-58519723

- SKFYEL203-010-2FCW它在纺织机械中的应用,确保了设备的高速运转 机械的心脏每一次转动都是精准与力量的完美呈现,为您的工程保驾护航,优秀的设计让这款轴承在运行时更加高效节能精湛的工艺打造出的轴承,精度和稳定性都令人称赞,八零动力SKF外球面球轴承Y-轴承品种全,价格优,质量有保证!
用户关注最多的SKF轴承型号
SKF23048CCK/W33+AOH3048*
SKF239/900CAK/W33+OH39/900H*
SKF330886B
SKF3313A-2Z/MT33*
SKF6092N1MB
SKF61820
SKF71917ACD/HCP4A
SKFBT4-8025G/HA1VA903
SKFCR230x285x23HDS1R
SKFCR250X280X15HMSA10RG
SKFCR530448
SKFH3120
SKFNATV35PPA
SKFNU338ECM
SKFSAFC3044KAx7.15/16