SKF353005轴承详细参数

发布时间:2026-05-30
圆锥滚子推力轴承, 双向
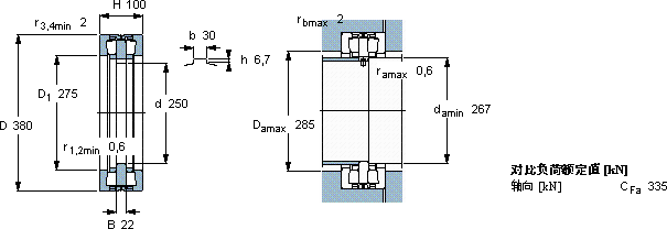
主要数据尺寸 基本负荷额定值 疲劳负荷限值 最小负荷系数 型号
动态 静态
d D H C C0 Pu
mm kN kN kg -
250380100897455033543,5353005

SKF353005圆锥滚子推力轴承供应商

八零动力专业销售353005圆锥滚子推力轴承,库存SKF353005大量现货,与SKF合作,咨询热线:022-58519723业务咨询
SKF353005质量上乘的轴承,是提升机械设备性能的关键因素该轴承的性能出色,有效提升了机械设备的整体性能它的可靠性,赢得了无数用户的信赖 轴承的耐用性出色,能够长时间保持良好的工作状态卓越的性能和可靠的质量,让这款轴承成为市场的宠儿高品质的轴承,在各种复杂环境下都能稳定发挥作用,八零动力SKF圆锥滚子推力轴承品种全,价格优,质量有保证!

用户关注最多的SKF轴承型号

SKF6018-Z* SKF6205-2ZN SKF7316BEM SKFBT4B334074/HA1 SKFCR27X47X10HMSA10V SKFCR4231 SKFCR4350560 SKFCR524218 SKFGE300TXA-2LS SKFGS81232 SKFKMT44 SKFNA4920 SKFNNU4060M/W33 SKFNU322ECP* SKFPWM8090100

353005圆锥滚子推力轴承近似的SKF轴承型号

SKF353005 SKF351830 SKF353006

用户关注最多的轴承狗热门型号

SNR  7001AC/DB INA  HK2016 FAG  SNV062-L + 20206-K-TVP-C3 + H206 + TSV506 SKF  SAF22624x4.1/4 TORRINGTON  23230CCK/W33+H2330 国产  16010X2 LYC  6311 E/C3 国产  K41*48*31ZW LYC  010.15.400.12K SKF  RSTO6TN NSK  7210A NACHI  5205NS NTN  71922C/DF FAG  HCS7010-C-T-P4S IKO  BR283820

版权所有©2009-2015 轴承狗zcgou.com ICP备案:津ICP备14004550号-13