SKFYEL203-008-2F轴承详细参数

发布时间:2026-05-30
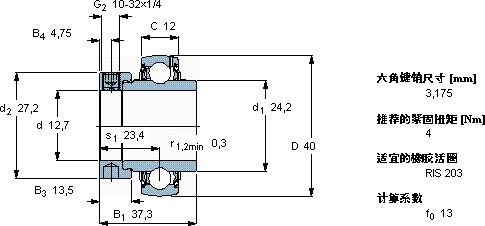
Y-轴承, 带偏心锁定环的, YEL 2-2F
主要数据尺寸 基本负荷额定值 疲劳负荷限值 限制速度 体积 型号
动态 静态
d D B1 (B) C C C0 Pu 用于轴公差h6
mm kN kN r/min kg -
12,74037,3129,564,750,295000,15YEL 203-008-2F

SKFYEL203-008-2F外球面球轴承Y-轴承供应商

八零动力专业销售YEL203-008-2F外球面球轴承Y-轴承,库存SKFYEL203-008-2F大量现货,与SKF合作,咨询热线:022-58519723业务咨询
SKFYEL203-008-2F它的每一次转动,都是对精准度的极致追求 它在印刷机械中的应用,展现了它的高精度 精准运转高精度低摩擦轴承的选材精良,确保了其具有良好的耐磨性和抗腐蚀性优秀的设计理念和精湛的制造工艺,成就了这款杰出的轴承,八零动力SKF外球面球轴承Y-轴承品种全,价格优,质量有保证!

用户关注最多的SKF轴承型号

SKF1207ETN9 SKF22328CCK/W33+AHX2328G* SKF7210BECBP SKF7340B/DB SKFBT4B330650E/C500* SKFC31/530KM/HA3C4* SKFCR32X45X8HMS5V SKFCR401101 SKFCR45X58X7HMSA10V SKFN210ECP* SKFNU421M SKFNUP309ECJ* SKFPF1.WF SKFSNP152x9.7/16 SKFW6207-2RS1

YEL203-008-2F外球面球轴承Y-轴承近似的SKF轴承型号

SKFYAR211-203-2F SKFYAT203 SKFYAT211-203 SKFYET203 SKFYAR212-203-2F/AH SKFYAT203-008 SKFYAR203-008-2F/AH SKFYEL203-008-2FCW SKFYET211-203 SKFYEL203-010-2FCW SKFYAT216-300 SKFYEL203-008-2FCW

用户关注最多的轴承狗热门型号

KOYO  53316U MRC  N228 SKF  22226CCK/W33+H3126 SKF  BT4B328045/HA1 NACHI  32340 国产  NUTR15 INA  PSHE30-N TORRINGTON  22317CCK/W33 KOYO  22318CC/W33 SKF  SNW26x4.7/16 SKF  C3164KM+OH3164H* LYC  3521/159 /C3 NSK  HR32044XJ MRC  6300-2RS SKF  CR99468

版权所有©2009-2015 轴承狗zcgou.com ICP备案:津ICP备14004550号-13