SKFCR401506轴承详细参数

发布时间:2026-05-29
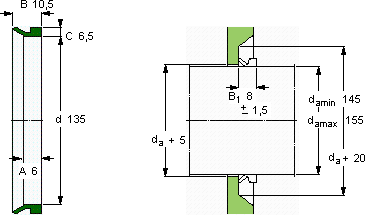
V形环密封件, VR3 设计
V形环密封件
da d A B C
最小 最大
mm mm - - - -
145155135610,56,5VR3VCR 401506401506

SKFCR401506V型圈密封供应商

八零动力专业销售CR401506V型圈密封,库存SKFCR401506大量现货,与SKF合作,咨询热线:022-58519723业务咨询
SKFCR401506精湛的制造工艺赋予了这款轴承出色的性能和可靠性我们的轴承卓越的性能这款轴承的精度极高,能够满足对精度要求苛刻的设备其质量上乘,是众多机械设备不可或缺的优质配件它的可靠性,赢得了无数用户的信赖 它的抗磨损涂层,让它更加耐用 ,八零动力SKFV型圈密封品种全,价格优,质量有保证!

用户关注最多的SKF轴承型号

SKF217 SKF23080CC/W33* SKF23084CAK/W33* SKF33011/QDF03C170 SKF71920CD/P4A SKF7322B SKFAS6085 SKFC2209KV* SKFCR65X100X10HMSA10RG SKFGE6C SKFKR72PPA SKFP62R-15/16WF SKFSNL3240G SKFSNW18x3.1/16 SKFW26

CR401506V型圈密封近似的SKF轴承型号

SKFCR401506 SKFCR401505 SKFCR40158

用户关注最多的轴承狗热门型号

NACHI  NU219E SKF  C31/500KM+AOHX31/500G* GMN  7036C/DF 国产  K40*45*30 DKF  7015AC/DT DKF  7216AC/DB LYC  6303 E-2RZ KOYO  7204AC/DT SKF  CR99376 NTN  NU2305E TIMKEN  23324YM* SKF  YHC207-104-2LS8W/VT357 INA  PAPZ2408-P14 国产  QJ313Q1/SO IKO  LSAG10

版权所有©2009-2015 轴承狗zcgou.com ICP备案:津ICP备14004550号-13