SKFYAT216-300轴承详细参数

发布时间:2026-04-26
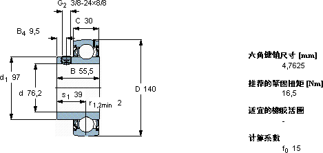
Y-轴承, 带平头螺钉锁定的, YAT 2
主要数据尺寸 基本负荷额定值 疲劳负荷限值 限制速度 体积 型号
动态 静态
d D B C C C0 Pu 用于轴公差h6
mm kN kN r/min kg -
76,214055,53072,8532,1624002,35YAT 216-300

SKFYAT216-300外球面球轴承Y-轴承供应商

八零动力专业销售YAT216-300外球面球轴承Y-轴承,库存SKFYAT216-300大量现货,与SKF合作,咨询热线:022-58519723业务咨询
SKFYAT216-300它的抗氧化性能,延长了它的使用寿命 它的轻量化设计,减少了运输成本 给您意想不到的顺畅体验,它的模块化设计,让安装和更换变得轻松便捷 它的长寿命,减少了更换频率 这轴承的设计精妙,充分考虑了各种实际应用需求,八零动力SKF外球面球轴承Y-轴承品种全,价格优,质量有保证!

用户关注最多的SKF轴承型号

SKF1202 SKF21309CCK+H309 SKF315494B SKF6004-RSL* SKF71915C/DF SKFBT2B334113/HA3VA901 SKFC2213KTN9+AH313G* SKFCR1025017 SKFCR12330 SKFCR524228 SKFCR590762 SKFCR80X110X10HMS5RG SKFK28x33x17 SKFM40x1.5 SKFSYH1.RM

YAT216-300外球面球轴承Y-轴承近似的SKF轴承型号

SKFYAT216-300 SKFYAR216-215-2F/AH SKFYAR216-300-2F SKFYAR216-215-2F SKFYAR216-2F/W64 SKFYAR216-300-2F/AH SKFYAR216-2F SKFYAT215-215 SKFYEL203-008-2F

用户关注最多的轴承狗热门型号

ASAHI  UKFU213+H2313 FAG  SNV160-L + 2218-K-TVH-C3 + H318X303 + FSV518X303 SKF  7319BEP KOYO  15123/245 MAC  NJ216 GMN  7006C FAG  BND3156-H-W-T-BL-S LYC  1797/574 NTN  23272BK 国产  WW2223RS 国产  UCFC212 SNR  7016C/DF SKF  NU220ECP SKF  61806-2RS INA  KGBA20-PP-AS

版权所有©2009-2015 轴承狗zcgou.com ICP备案:津ICP备14004550号-13