SKFYET203/W64轴承详细参数

发布时间:2026-05-30
Y-轴承, 含Solid Oil
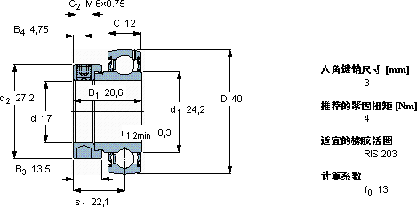
主要数据尺寸 基本负荷额定值 疲劳负荷限值 限制速度 体积 型号
动态 静态
d D B (B1) C C C0 Pu
mm kN kN r/min kg -
174028,6129,564,750,211000,11YET 203/W64

SKFYET203/W64外球面球轴承Y-轴承供应商

八零动力专业销售YET203/W64外球面球轴承Y-轴承,库存SKFYET203/W64大量现货,与SKF合作,咨询热线:022-58519723业务咨询
SKFYET203/W64它的模块化设计,让安装和更换变得轻松便捷 铸就卓越品质,它的精密装配,确保了整体性能的卓越 它的润滑技术,减少了摩擦和磨损 它的可靠性,赢得了无数用户的信赖 它的耐腐蚀性,减少了维护成本 ,八零动力SKF外球面球轴承Y-轴承品种全,价格优,质量有保证!

用户关注最多的SKF轴承型号

SKF316733DC SKF51204V/HR22Q2 SKF6215* SKF7219ACD/P4A SKF722506DA SKFBC4-8059 SKFCR660x724x25HDS1R SKFH2328L SKFHA315 SKFNNF5017ADB-2LSV SKFNNU49/670BK/SPW33X SKFPCMF121415B SKFS71914ACD/HCP4A SKFSYH7/8TF SKFSYNT70L

YET203/W64外球面球轴承Y-轴承近似的SKF轴承型号

SKFYAR203/12-2F SKFYAR203-010-2F/AH SKFYET203-008 SKFYEL211-203-2FCW SKFYAR203/15-2F SKFYAR203-008-2F SKFYAT211-203 SKFYAT203-010 SKFYEL203-010-2FCW SKFYAR203-008-2F/AH SKFYET203/15 SKFYET204

用户关注最多的轴承狗热门型号

STEYR  N416 TIMKEN  938/932CD/X4S-938 RIV  NU1020 NSK  80TMP93 NSK  LM809535-1 NSK  607ZZ NTN  NJ303E+HJ303E FAG  QJ224-N2-MPA NSK  30244 NSK  6811DDU LYC  7008 C SNR  7318AC/DF GMN  7205AC/DB RHP  NF220 INA  RWS1808-225/x225/x208

版权所有©2009-2015 轴承狗zcgou.com ICP备案:津ICP备14004550号-13