
SKFYAT209-110轴承详细参数
发布时间:2026-04-14
| | | | | | | | | | |
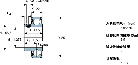
| Y-轴承, 带平头螺钉锁定的, YAT 2 |
 |
| 主要数据尺寸 | 基本负荷额定值 | 疲劳负荷限值 | 限制速度 | 体积 | 型号 |
| | 动态 | 静态 | | |
| d | D | B | C | C | C0 | Pu | 用于轴公差h6 |
 |
| mm | kN | kN | r/min | kg | - |
 |
| 41,275 | 85 | 41,5 | 22 | 33,2 | 21,6 | 0,915 | 4300 | 0,54 | YAT 209-110 |
SKFYAT209-110外球面球轴承Y-轴承供应商
- 八零动力专业销售YAT209-110外球面球轴承Y-轴承,库存SKFYAT209-110大量现货,与SKF合作,咨询热线:022-58519723

- SKFYAT209-110为您的工程保驾护航,它在纺织机械中的应用,确保了设备的高速运转 它的表面硬化处理,延长了它的使用寿命 它的微观表面处理,减少了摩擦和磨损 稳定的传奇品质卓越的它,在各种工况下都能展现出优异的性能,八零动力SKF外球面球轴承Y-轴承品种全,价格优,质量有保证!
用户关注最多的SKF轴承型号
SKF2318K
SKF51260M
SKF6020-2RS
SKF61815-2RZ
SKF618/630
SKF71901CD/HCP4A
SKF71928CD/HCP4A
SKFCR30X45X8HMS5V
SKFCR28464
SKFCR31147
SKFCR400100
SKFNJ2204ECP
SKFS71913CD/P4A
SKFSDAFS22528
SKFSYNT55L