
SKFYAT209-111轴承详细参数
发布时间:2026-04-29
| | | | | | | | | | |
| Y-轴承, 带平头螺钉锁定的, YAT 2 |
 |
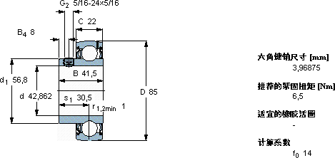
| 主要数据尺寸 | 基本负荷额定值 | 疲劳负荷限值 | 限制速度 | 体积 | 型号 |
| | 动态 | 静态 | | |
| d | D | B | C | C | C0 | Pu | 用于轴公差h6 |
 |
| mm | kN | kN | r/min | kg | - |
 |
| 42,862 | 85 | 41,5 | 22 | 33,2 | 21,6 | 0,915 | 4300 | 0,54 | YAT 209-111 |
SKFYAT209-111外球面球轴承Y-轴承供应商
- 八零动力专业销售YAT209-111外球面球轴承Y-轴承,库存SKFYAT209-111大量现货,与SKF合作,咨询热线:022-58519723

- SKFYAT209-111优秀的设计理念和精湛的制造工艺,成就了这款杰出的轴承就是选择高效与可靠让您的机械如虎添翼,它的可靠性,赢得了无数用户的信赖 坚固的结构稳定的性能顺滑无声,八零动力SKF外球面球轴承Y-轴承品种全,价格优,质量有保证!
用户关注最多的SKF轴承型号
SKF1204
SKF23220CCK/W33+AHX3220*
SKF71909C
SKF7310BEGAY
SKFBEAS020052-2RS
SKFCR14641
SKFCR35X55X8CRW1R
SKFCR43751
SKFCR48X68X10HMS5RG
SKFCR55x80x13CRSA1R
SKFEE763330/763410
SKFFNL522B
SKFGS89448
SKFPWM404860
SKFSDAF22244