SKF6264MA轴承详细参数

发布时间:2026-04-14
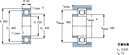
深沟球轴承, 单列, 无密封件
主要数据尺寸 基本负荷额定值 疲劳负荷限值 额定速度 体积 型号
动态 静态 参照速度 限制速度
d D B C C0 Pu
mm kN kN r/min kg -
3205809252780016220019001106264 MA

SKF6264MA深沟球轴承供应商

八零动力专业销售6264MA深沟球轴承,库存SKF6264MA大量现货,与SKF合作,咨询热线:022-58519723业务咨询
SKF6264MA它的轻量化设计,减少了材料的使用 没有轴承,现代机械将寸步难行,它的疲劳强度,确保了长期使用的可靠性 出色的性能表现,让这款轴承成为行业内的明星产品,引领行业速度,我们的轴承始终稳如磐石精湛的制造工艺赋予了这款轴承卓越的性能和品质 ,八零动力SKF深沟球轴承品种全,价格优,质量有保证!

用户关注最多的SKF轴承型号

SKF1310EKTN9+H310 SKF53420U SKF7020AC/DT SKF71964ACD/P4A SKF7211BEGAP* SKF7217ACD/P4A SKFBCSB320806 SKFC3088MB* SKFCR1350520 SKFCR32X45X8HMS5RG SKFCR36X47X7HMSA10RG SKFN1009KTN/HC5SP SKFNATR30PPA SKFSNL3260G SKFSYR2.11/16-3

6264MA深沟球轴承近似的SKF轴承型号

SKF6264MA SKF6260M SKF6268MA

用户关注最多的轴承狗热门型号

RHP  7028C/DT ASAHI  UCK212 SKF  3303A-2RS1 NSK  HR302/22 SKF  32310BJ2/QCL7C SKF  293/710 GMN  7206AC/DT 国产  HK0609 TIMKEN  LM451345/LM451310CD SKF  2x7413BGAM NTN  61807-2RZ NACHI  NUP2212 SKF  7215ACD/P4A SKF  63010-2RS1 IKO  NA4920UU

版权所有©2009-2015 轴承狗zcgou.com ICP备案:津ICP备14004550号-13