SKFYAT204轴承详细参数

发布时间:2026-04-15
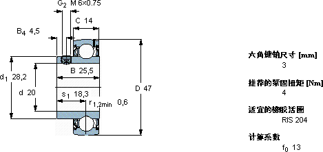
Y-轴承, 带平头螺钉锁定的, YAT 2
主要数据尺寸 基本负荷额定值 疲劳负荷限值 限制速度 体积 型号
动态 静态
d D B C C C0 Pu 用于轴公差h6
mm kN kN r/min kg -
204725,51412,76,550,2885000,11YAT 204

SKFYAT204外球面球轴承Y-轴承供应商

八零动力专业销售YAT204外球面球轴承Y-轴承,库存SKFYAT204大量现货,与SKF合作,咨询热线:022-58519723业务咨询
SKFYAT204是您值得信赖的工业伙伴,为您的机械保驾护航它的低噪音设计,减少了对环境的噪音污染 运转起来如此顺滑,这款轴承的制造工艺着实令人赞叹先进的制造技术,让这款轴承的质量达到了行业领先水平轴承的耐用性强,减少了设备的停机维护时间它的抗冲击能力,让它经久不衰 ,八零动力SKF外球面球轴承Y-轴承品种全,价格优,质量有保证!

用户关注最多的SKF轴承型号

SKF294/950EF SKF6010NR* SKF619/530MA SKF6208/HR22T2 SKF7310B/DB SKFCR30360 SKFCR524226 SKFFY1.1/4TF/AH SKFNJ2315ECN2ML* SKFNU19/900ECMA SKFNU2317ECML* SKFPFD1.3/16FM SKFSY1.TR SKFSYH1.11/16TF/AH SKFYAT215-215

YAT204外球面球轴承Y-轴承近似的SKF轴承型号

SKFYET204 SKFYEL212-204-2F SKFRIS204 SKF1726204-2RS1 SKFYAR204-2F SKFYAR204-012-2RF/HV SKFYAR204-2RF/W64 SKFYAT204 SKFYET212-204 SKFYAR204-2RF/VE495 SKFYAT203-010 SKFYAT204-012

用户关注最多的轴承狗热门型号

KOYO  45291/21 SKF  C39/670KMB* LYC  STA3072 NSK  7204BEA SKF  NNCF4864CV NSK  6848 KOYO  22252CACK/W33 FAG  SNV215-L + 222SM110-TVPA + DH524 ASAHI  UCFC211 NACHI  6318-2NK SKF  CR28X42X8HMSA10RG SKF  30228J2 RHP  7309B NTN  NU213E SKF  GE8C

版权所有©2009-2015 轴承狗zcgou.com ICP备案:津ICP备14004550号-13