
SKFYAT204-012轴承详细参数
发布时间:2026-04-14
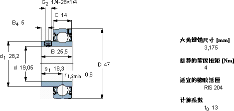
| | | | | | | | | | |
| Y-轴承, 带平头螺钉锁定的, YAT 2 |
 |
| 主要数据尺寸 | 基本负荷额定值 | 疲劳负荷限值 | 限制速度 | 体积 | 型号 |
| | 动态 | 静态 | | |
| d | D | B | C | C | C0 | Pu | 用于轴公差h6 |
 |
| mm | kN | kN | r/min | kg | - |
 |
| 19,05 | 47 | 25,5 | 14 | 12,7 | 6,55 | 0,28 | 8500 | 0,11 | YAT 204-012 |
SKFYAT204-012外球面球轴承Y-轴承供应商
- 八零动力专业销售YAT204-012外球面球轴承Y-轴承,库存SKFYAT204-012大量现货,与SKF合作,咨询热线:022-58519723

- SKFYAT204-012设计合理、性能优良的它,是机械设备稳定运行的重要保障从制造工艺到实际性能,这款轴承都表现得十分出色,它虽小,却是工业革命的基石 运转起来如此顺滑,这款轴承的制造工艺着实令人赞叹它在汽车工业中的应用,让车辆运行更加平稳 它的可靠性,赢得了无数工程师的信任 ,八零动力SKF外球面球轴承Y-轴承品种全,价格优,质量有保证!
用户关注最多的SKF轴承型号
SKF31311J2/QCL7C
SKF7314BEGAP*
SKFBT4-8040G/HA4
SKFBT4-8044G/HA1VA902*
SKFC7008FB/P7
SKFCR155X180X15HMS5RG
SKFCR17374
SKFCR99156
SKFHM807046/010/QCL7C
SKFN1018KTNHA/SP
SKFNJ2219ECJ*
SKFNKI75/25
SKFSYH1.1/8RM
SKFWS89426
SKFYEL205-015-2F