SKFW619/9轴承详细参数

发布时间:2026-04-15
深沟球轴承, 单列,不锈钢, 无密封件
主要数据尺寸 基本负荷额定值 疲劳负荷限值 额定速度 体积 型号
动态 静态 参照速度 限制速度
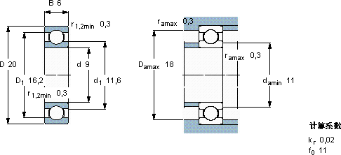
d D B C C0 Pu
mm kN kN r/min kg -
92061,740,830,03680000480000,0076W 619/9

SKFW619/9深沟球轴承供应商

八零动力专业销售W619/9深沟球轴承,库存SKFW619/9大量现货,与SKF合作,咨询热线:022-58519723业务咨询
SKFW619/9它的故障率极低,确保了设备的稳定运行 承载重载历经岁月卓越的性能和可靠的质量,让这款轴承成为市场的宠儿这轴承的选材讲究,坚固耐用,寿命远超同类产品它的高效率,减少了能源消耗 它的故障率极低,确保了设备的稳定运行 ,八零动力SKF深沟球轴承品种全,价格优,质量有保证!

用户关注最多的SKF轴承型号

SKF22213CC/W33 SKF240/630ECJ/W33* SKF2x7320BEGBY SKF628/4-2Z SKF7000C SKF7001ACD/P4A SKF71912ACE/P4A SKF71952ACD/P4A SKF7211ACD/HCP4A SKF7214AC SKFCR38X50X7HMS5RG SKFCR40x54x7CRW1R SKFCR8X22X7HMSA10V SKFNAO17x30x13 SKFOKBS117

W619/9深沟球轴承近似的SKF轴承型号

SKF61902-2RZ SKF61904 SKF61936 SKF61914-2RS SKFW619/9 SKF61932MA SKF61930MA SKF61964MA SKF619/530 SKF61944 SKFW619/8-2Z SKFW619/9-2Z

用户关注最多的轴承狗热门型号

BARDEN  7032AC/DF SKF  71928CD/HCP4A NTN  23272CACK/W33+H3272 FAG  NJ2322-E-TVP2 + HJ2322E NTN  31322 INA  SCE1211-P NTN  NF208 TIMKEN  A4059/A4138D/X6SA4059 FAG  S3064-H-N-FZ-AL-L + 230SM300-MA NACHI  240KBE131 KOYO  2211K+H311 NTN  61802-2RZ SKF  NJ407 ZKL  7220B/DB NTN  6318-ZN

版权所有©2009-2015 轴承狗zcgou.com ICP备案:津ICP备14004550号-13