SKF61996MA轴承详细参数

发布时间:2026-04-15
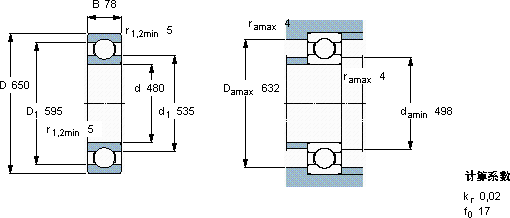
深沟球轴承, 单列, 无密封件
主要数据尺寸 基本负荷额定值 疲劳负荷限值 额定速度 体积 型号
动态 静态 参照速度 限制速度
d D B C C0 Pu
mm kN kN r/min kg -
4806507844981514,61800150074,061996 MA

SKF61996MA深沟球轴承供应商

八零动力专业销售61996MA深沟球轴承,库存SKF61996MA大量现货,与SKF合作,咨询热线:022-58519723业务咨询
SKF61996MA它的径向跳动控制,达到了行业顶尖水平 它的密封性能,完美抵御灰尘和杂质的侵袭 让您的设备高效运行,它的加工精度,确保了机械运转的稳定性 高精度与高可靠性的完美结合,成就了这款杰出的轴承它在轨道交通中的应用,确保了列车的安全运行 ,八零动力SKF深沟球轴承品种全,价格优,质量有保证!

用户关注最多的SKF轴承型号

SKF22314CC/W33 SKF3309A-2RS1/MT33* SKF6212-ZNR* SKF7007AC/DF SKFC3032K* SKFCR19400 SKFCR38X55X10HMS5V SKFFBSA207/DF SKFNUP2206ECP* SKFPF45FM SKFSILKB18F SKFSNL3140G SKFSR3/4FM SKFSYL30TR/VE495 SKFUELFU210

61996MA深沟球轴承近似的SKF轴承型号

SKF61996MA SKF61996 SKF61996MA SKF61996MA SKF619/1000MB

用户关注最多的轴承狗热门型号

SKF  SR7/8FM SNR  6034 SKF  CR240X270X15HMSA10V SKF  RNA6903 NSK  53240X INA  GE15-FW LYC  22336/W33 INA  KGN16-C-PP-AS SKF  HS2310 TIMKEN  RCJ MAC  NJ316 MRC  6020-Z SKF  CR45x72x8CRW1V LYC  32038 NACHI  22320AEX

版权所有©2009-2015 轴承狗zcgou.com ICP备案:津ICP备14004550号-13